LEMON Manuals: Even more car manuals for everyone: 1960-2025
Home >> Kia >> 2003 >> Sorento V6-3.5L >> Repair and Diagnosis >> Powertrain Management >> Computers and Control Systems >> Main Relay (Computer/Fuel System) >> Testing and Inspection
April 5, 2026: LEMON Manuals is launched! Read the announcement.

Main Relay (Computer/Fuel System): Testing and Inspection




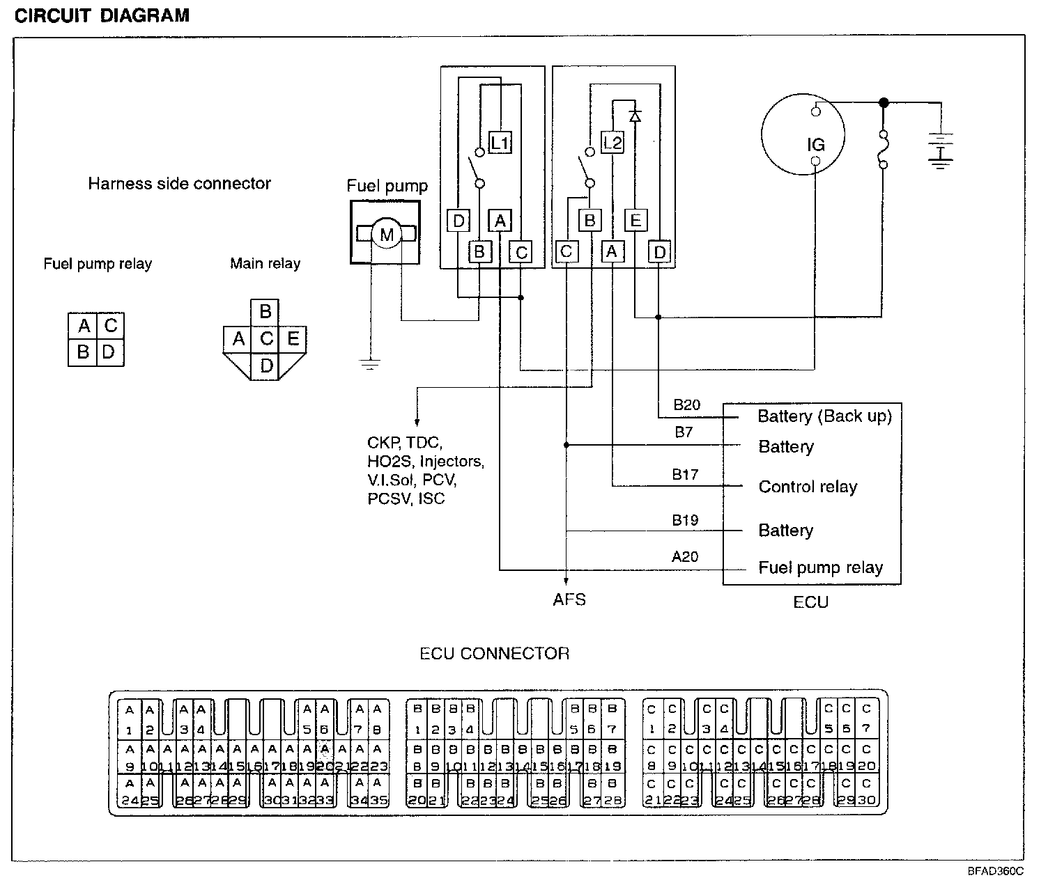
CONTROL RELAY
When the ignition switch is turned on, battery voltage is applied from the ignition switch to the ECU, turning ON the ignition power transistor and energizing the MFI control relay coil. This turns ON the MFI control relay switch, and supplies power from the battery to the ECU through the MFI control relay switch.


Circuit Diagram: