LEMON Manuals: Even more car manuals for everyone: 1960-2025
Home >> Kia >> 2004 >> Sorento EX, 4WD, Part Time >> Repair and Diagnosis >> Engine Performance >> Specifications >> Fuel System & Fault Isolation >> MFI Control System >> Control Relay >> Circuit Diagram
April 5, 2026: LEMON Manuals is launched! Read the announcement.

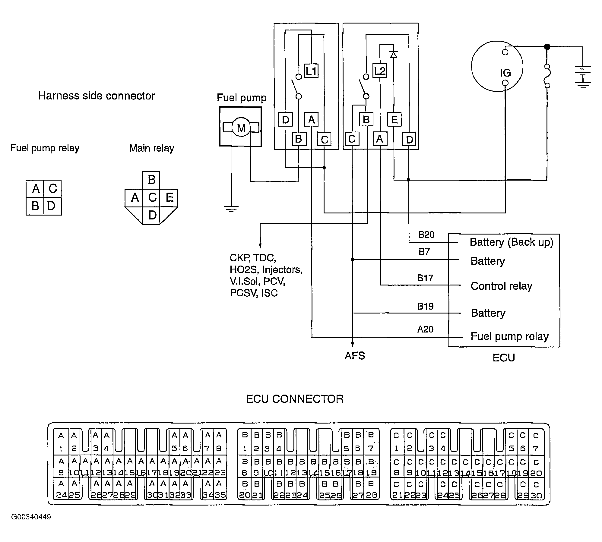
Circuit Diagram

Fig 1: Identifying MFI Control Relay Circuit Diagram
G00340449Courtesy of KIA MOTORS AMERICA, INC.