LEMON Manuals: Even more car manuals for everyone: 1960-2025
Home >> Kia >> 2005 >> Optima EX, 2.7 8 >> Repair and Diagnosis >> Engine Performance >> Engine Control Systems >> Engine Control System/Fuel System - 2.7L >> MFI Control System >> Crankshaft Position (CKP) Sensor >> Harness Connector
April 5, 2026: LEMON Manuals is launched! Read the announcement.

Harness Connector

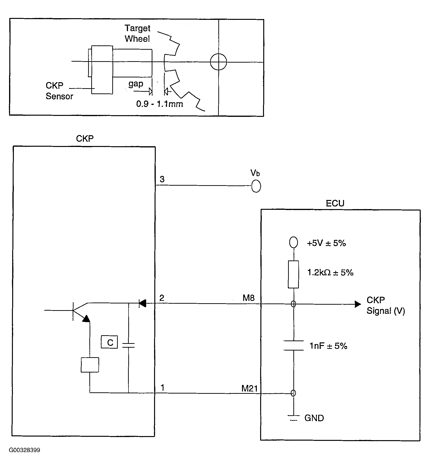
Fig 1: Crankshaft Position (CKP) Sensor Connector
G00328399Courtesy of KIA MOTORS AMERICA, INC.