LEMON Manuals: Even more car manuals for everyone: 1960-2025
Home >> Kia >> 2005 >> Optima EX, 2.7 8 >> Repair and Diagnosis >> Engine Performance >> System >> Engine Control System/Fuel System - 2.7L >> MFI Control System >> Fuel Injector >> Notes
April 5, 2026: LEMON Manuals is launched! Read the announcement.

Fuel Injector: Notes

The injectors inject fuel to cylinders according to the signal, suitable to engine condition, from ECU. The ECU drives the injectors by electric current driving mode. The basic fuel amount is performed by the mapping value based on the air amount and engine rate, and the fuel amount is corrected in the case of fuel amount correction (Air fuel ratio control signal, fuel evaporative emission gas control, learning increase of the fuel amount, warm-up control, catalytic heating control, fuel amount control in deceleration, idle control, fuel amount increase in full load, fuel increase in acceleration and restarting).

The fuel injection is controlled under unavailable state for safety purpose when engine RPM reaches the appropriate engine speed

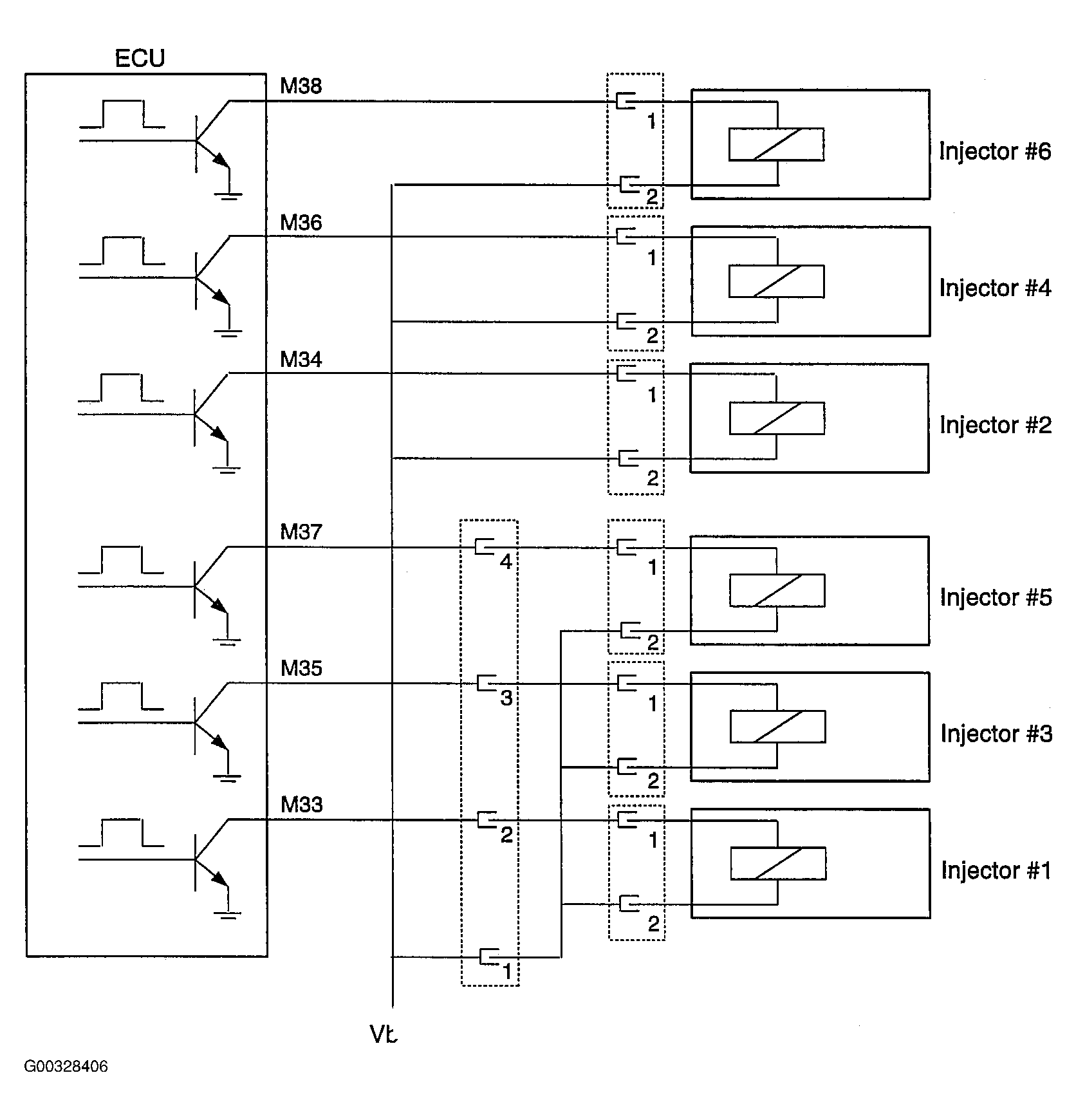
Fig 1: Locating Fuel Injector
G00328406Courtesy of KIA MOTORS AMERICA, INC.