LEMON Manuals: Even more car manuals for everyone: 1960-2025
Home >> Kia >> 2006 >> Rio L4-1.6L >> Repair and Diagnosis >> Diagrams >> Electrical Diagrams >> Powertrain Management >> Body Control Module
April 5, 2026: LEMON Manuals is launched! Read the announcement.

Body Control Module

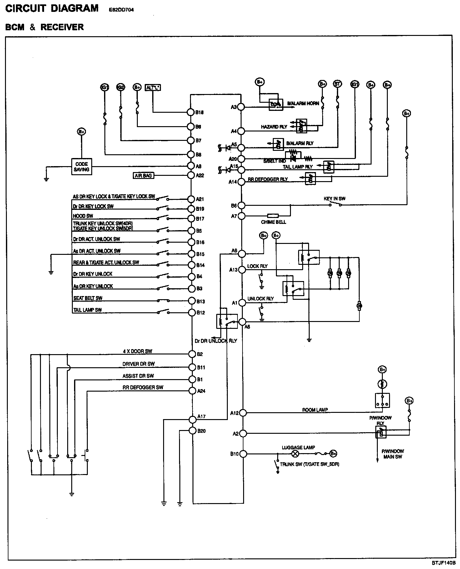
Circuit Diagram - BCM And Receiver:



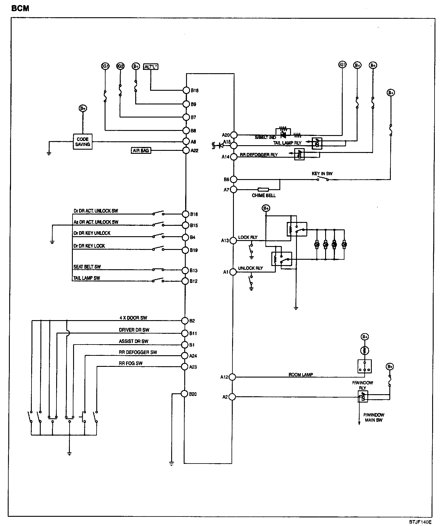
Circuit Diagram - BCM: