LEMON Manuals: Even more car manuals for everyone: 1960-2025
Home >> Kia >> 2007 >> Magentis (CANADA) L4-2.4L >> Repair and Diagnosis >> Diagrams >> Electrical Diagrams >> Powertrain Management >> System Diagram >> Engine Control Module (ECM)
April 5, 2026: LEMON Manuals is launched! Read the announcement.

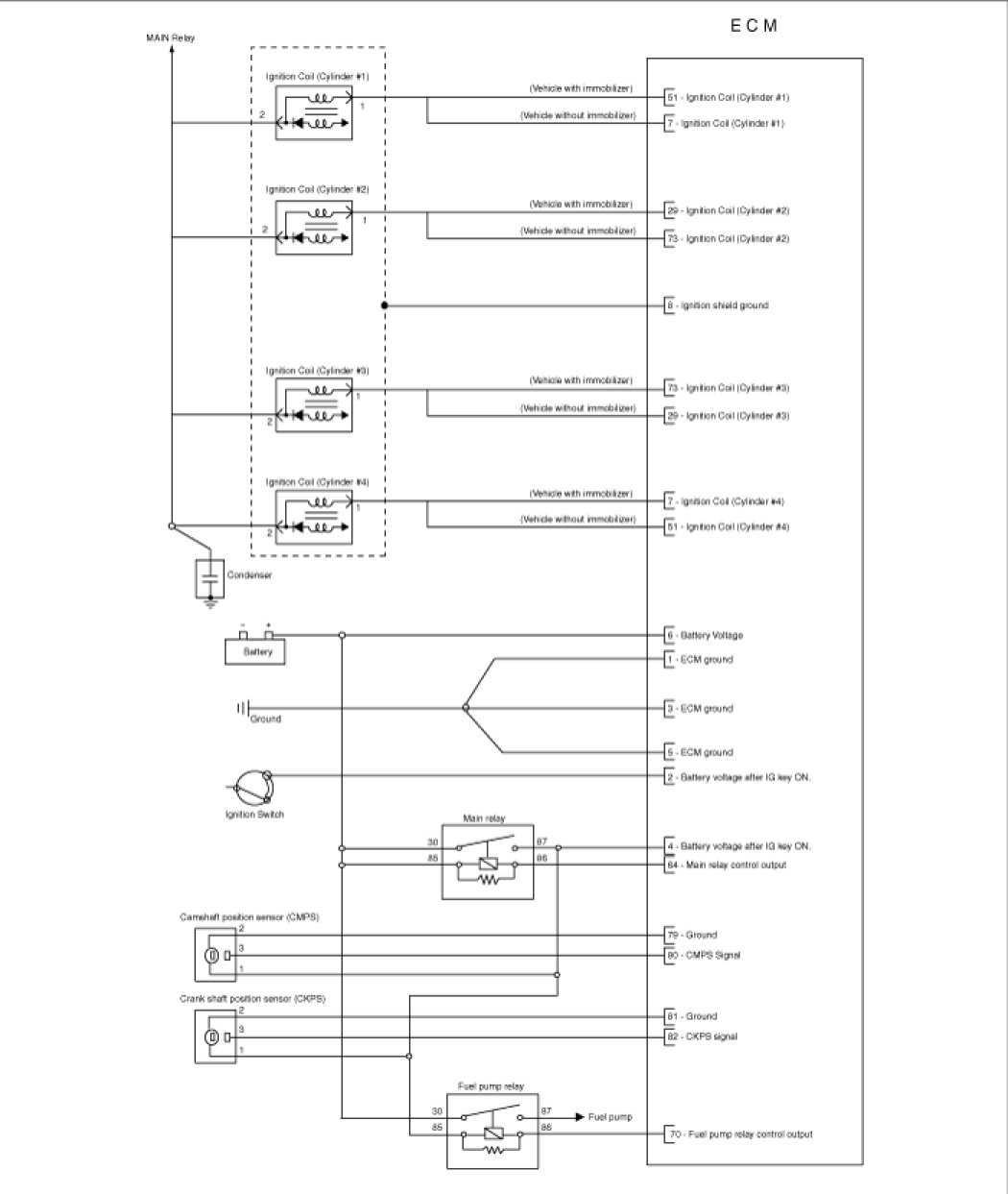
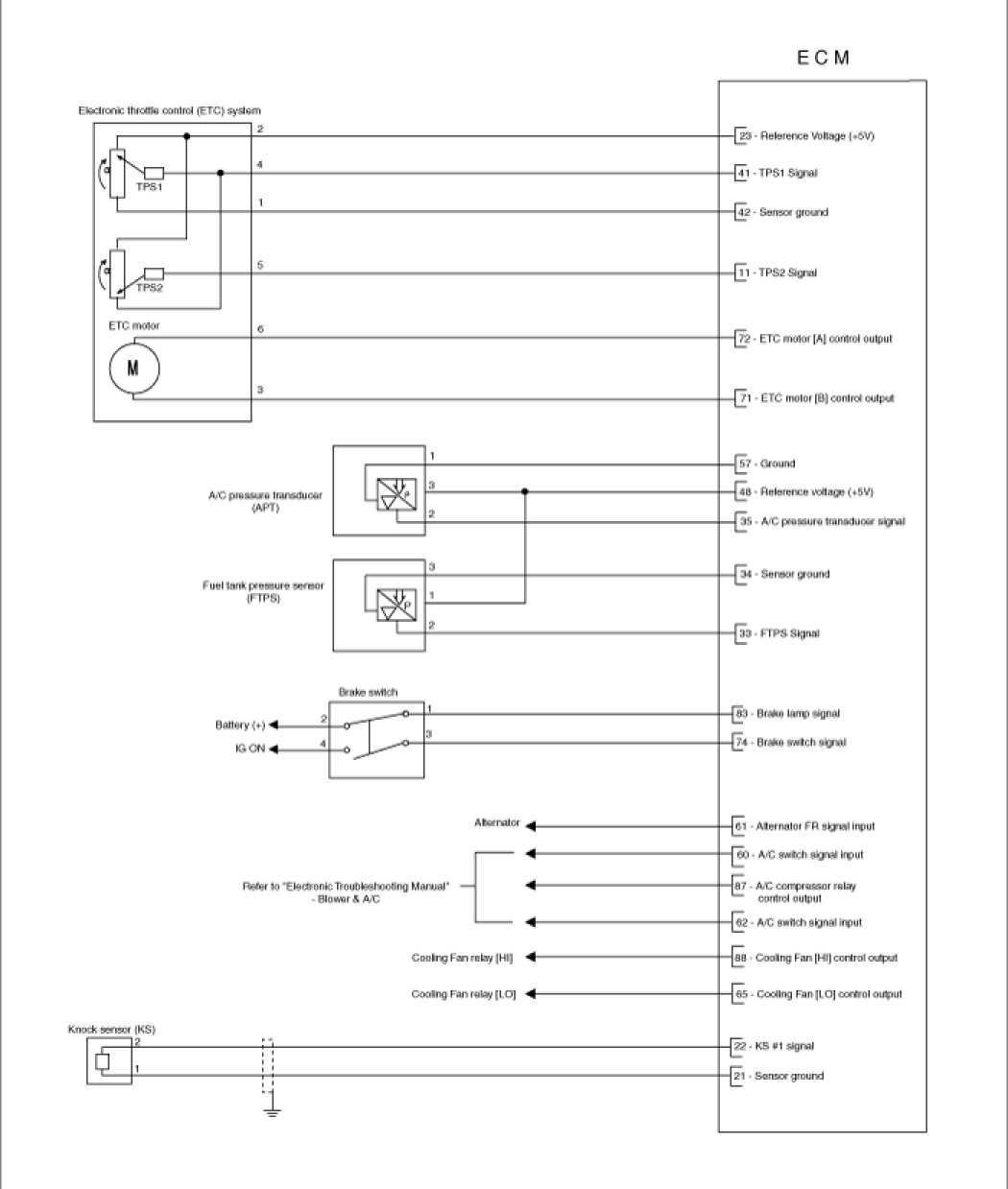
Engine Control Module (ECM)




CIRCUIT DIAGRAM