LEMON Manuals: Even more car manuals for everyone: 1960-2025
Home >> Kia >> 2007 >> Magentis (CANADA) L4-2.4L >> Repair and Diagnosis >> Relays and Modules >> Relays and Modules - Windows and Glass >> Heated Glass Control Module >> Service and Repair >> Windshield Deicer Timer
April 5, 2026: LEMON Manuals is launched! Read the announcement.

Windshield Deicer Timer




INSPECTION

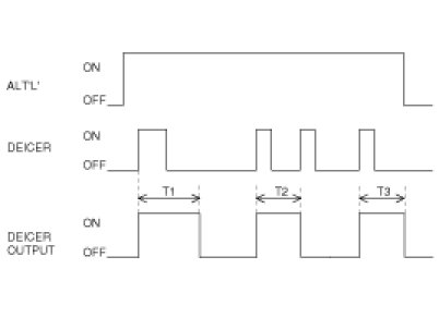
While operating the components, check whether the operations are normal as shown in the timing chart.
1. Once ALT "L" is ON, if the defogger is switched ON, the defogger will stay ON for 20 minutes duration.
2. If defogger switch is pressed again (see Step 1), or if ignition is switched OFF, the defogger will shut OFF.




T1 : 20 ± 1 min.
T2 : MAX 20 ± 1 min.
T3 : MAX 20 ± 1 min.