LEMON Manuals: Even more car manuals for everyone: 1960-2025
Home >> Kia >> 2008 >> Rondo L4-2.4L >> Repair and Diagnosis >> Specifications >> Mechanical Specifications >> Cooling System >> System Specifications
April 5, 2026: LEMON Manuals is launched! Read the announcement.

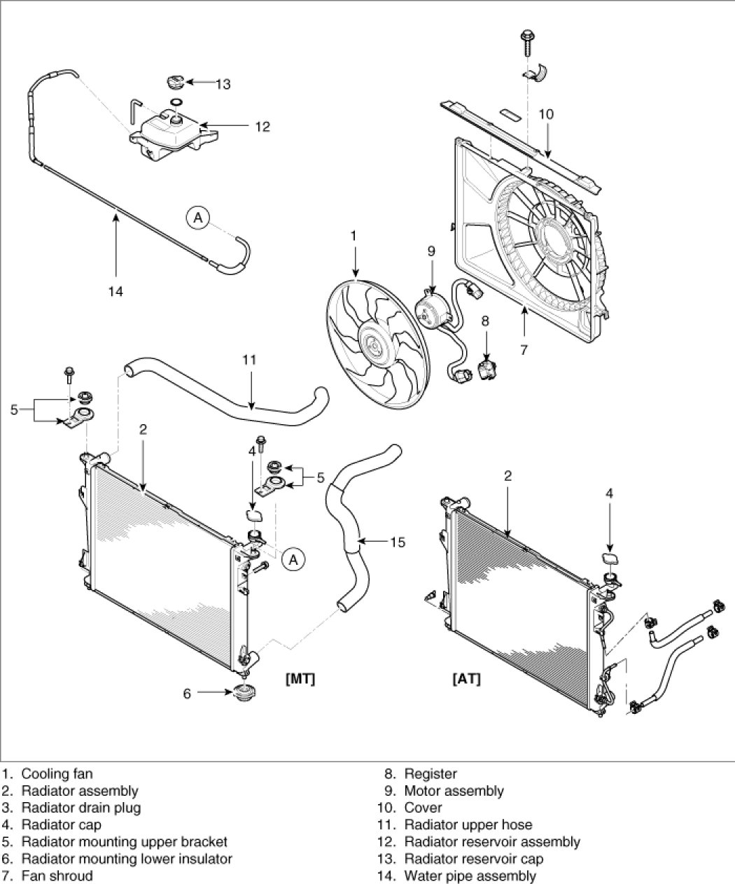
System Specifications





COMPONENTS