LEMON Manuals: Even more car manuals for everyone: 1960-2025
Home >> Kia >> 2009 >> Optima EX, 2.7 4 >> Repair and Diagnosis >> Engine Performance >> Engine Control Systems >> General Information (Fuel System) - 2.7L >> Troubleshooting >> Basic Troubleshooting >> Check Short Circuit
April 5, 2026: LEMON Manuals is launched! Read the announcement.

Check Short Circuit

  1. Test Method for Short to Ground Circuit
    1. Continuity Check with Chassis Ground

      If short to ground circuit occurs as shown in [Fig 1], the broken point can be found by performing Step 2 (Continuity Check Method with Chassis Ground) as shown below.

      Fig 1: Checking Continuity With Chassis Ground
      G06415859Courtesy of KIA MOTORS AMERICA, INC.
  2. Continuity Check Method (with Chassis Ground)
    NOTE: Lightly shake the wire harness above and below, or from side to side when measuring the resistance.

    Specification (Resistance) 

    1Ω or less → Short to Ground Circuit

    1MΩ or Higher → Normal Circuit

    1. Disconnect connectors (A), (C) and measure for resistance between connector (A) and Chassis Ground as shown in [Fig 2].

      The measured resistance of line 1 and 2 in this example is below 1 Ω and higher than 1MΩ respectively. Specifically the short to ground circuit is line 1 (Line 2 is normal). To find exact broken point, check the sub line of line 1 as described in the following step.

      Fig 2: Measuring Resistance Between Connector And Chassis Ground
      G06418831Courtesy of KIA MOTORS AMERICA, INC.
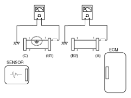
    2. Disconnect connector (B), and measure the resistance between connector (A) and chassis ground, and between (B1) and chassis ground as shown in [Fig 3].

      The measured resistance between connector (B1) and chassis ground is 1Ω or less. The short to ground circuit is between terminal 1 of connector (C) and terminal 1 of connector (B1).

      Fig 3: Measuring Resistance Between Connector And Chassis Ground
      G06418832Courtesy of KIA MOTORS AMERICA, INC.