LEMON Manuals: Even more car manuals for everyone: 1960-2025
Home >> Kia >> 2010 >> Optima L4-2.4L >> Repair and Diagnosis >> Powertrain Management >> Computers and Control Systems >> Relays and Modules - Computers and Control Systems >> Body Control Module >> Testing and Inspection
April 5, 2026: LEMON Manuals is launched! Read the announcement.

Body Control Module: Testing and Inspection





Inspection

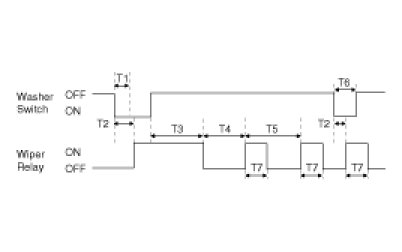
1. Wiper Control
- Washer Control Coupled With Wiper
(1) Under "IGN2 SWITCH = ON", WIPER RELAY is turned ON after T2 from "WASHER SWITCH = ON" if WASHER SWITCH is ON for T1 and WIPER RELAY is turned OFF after T3.




T1 : 0.06s ~ 0.2s
T2 : 0.3s ± 0.1s
T3 : 0.7s ± 0.1s
(2) Under "IGN2 SWITCH = ON", WIPER RELAY is turned ON after T2 from "WASHER SWITCH = ON" if WASHER SWITCH is ON for at least T1, and WIPER RELAY is turned OFF after T3 from the moment that WASHER SWITCH is turned OFF.




T1 : 0.2s(Min)
T2 : 0.3s ± 0.1s
T3 : 2.5s ~ 3.8s (2 - 3 Turn)
(3) Operation in Item 2) is performed if WASHER SWITCH is ON for at least T1 during WIPER operation with INT SWITCH. operation in Item 1) is performed if WASHER SWITCH is ON for T6.




T1 : 0.2s(Min), T2 : 0.3s ± 0.1s
T3 : 2.5s ~ 3.8s (2 - 3 Turn)
T4 : T5 - 0.7s, T5 : INT TIME
T6 : 0.06s ~ 0.2s, T7 : 0.7s ± 0.1s
- Wiper Mist Function
(1) Under "IGN2 SWITCH = ON", WIPER RELAY is turned ON immediately from "Mist SWITCH = ON" if "Mist SWITCH = ON" for T1 , Wiper RELAY is turned OFF after T2.




T1 : 0.7s Within, T2 : 0.7s ± 0.1s
(2) Under "IGN2 SWITCH = ON", WIPER RELAY is turned ON immediately from "Mist SWITCH = ON" if "Mist SWITCH = ON" for more than 1, Wiper RELAY is turned OFF after T2 from Mist SWITCH = OFF.




T1 : 0.7s(Min), T2 : 0.7s ± 0.1s
2. Warning
- Seat Belt Warning Timer
(1) SEAT BELT WARNING LAMP is ON for 1sec(DUTY 50%), CHIME BUZZER output on cycle 1.0s for 6sec.
(2) LAMP, CHIME BUZZER's OUTPUT is OFF IGN1 OFF in time.
(3) CHIME BUZZER's OUTPUT is OFF, WARNING LAMP output for remnant time if SEAT BELT SWITCH ON in time.
(4) Under IGN1 ON, WARNING LAMP & CHIME BUZZER operate as the condition of above 1) at SEAT BELT is unfastened after fasten SEAT BELT.




T1 : 6s ± 1s, T2 : 1s ± 0.1s
T3 : 0.5s ± 0.1s
- Seat Belt Reminder
Driver
(1) Warning lamp lights every 1sec(DUTY 50%) and BUZZER sounds every 1sec for 6sec when IGN is ON under unfastened seat belt. (Warning lamp continues to light for 6sec and BUZZER is turned off if SEAT BELT is fastened within 6sec)
(2) BUZZER and the warning lamp is stop when IGN is turned off within 6sec output after IGN is ON or ALT is ON.
(3) BUZZER and the warning lamp is operated once as PATTERN(6sec on / 24sec off X 11times) from vehicle speed = over 10Km/h when vehicle speed is over 10Km/h under seat belt is unfastened after IGN= ON or ALT "L"=ON.
(4) During the PATTERN(6sec on / 24sec off X 11times), output is stopped when vehicle speed is over 10Km/h or IGN=OFF or seat belt=ON (but, Warning lamp continues for remaning time when vehicle speed is under 5Km/h during 6sec in PATTERN)
- Key Operated Warning
(1) Buzzer sounds every 1sec when DRIVER DOOR is opened under KEY IN SWITCH =IN.
(2) Buzzer stops sounding if "KEY IN SWITCH =OUT" and "DRIVER DOOR=CLOSE" are met during CHIME BUZZER output.
(3) At IGN1 ON, CHIME BUZZER OFF.




T1 : 1.0s ± 0.06s
3. Defogger Control
(1) DEFOG RELAY is turned for T1 if DEFOG SWITCH is turned ON under "ALT L = ON".
(2) DEFOG RELAY is turned OFF if DEFOG SWITCH is turned ON again under output ON or "ALT L = OFF".




T1 : 20min ± 1min
ON : IGN1 = ON & ALT "L" = ON
OFF : IGN1 = OFF or ALT "L" = OFF
4. Front Deicer Control
(1) Front Deicer Relay is turned for T1 if Front Deicer SWITCH is turned OFF->ON under "ALT L = ON".
(2) Front Deicer RELAY is turned OFF if Front Deicer SWITCH is turned OFF->ON again under output ON or "ALT L = OFF".




T1 : 20min ± 1min
ON : IGN1 = ON & AltL = ON
OFF : IGN1 = OFF or AltL = OFF
5. Decayed Room Lamp
(1) ROOM LAMP & FOOT LAMP lights 100% at DOOR OPEN (4DOOR SWITCH = ON).
(2) ROOM LAMP & FOOT LAMP is turned ON always when DOOR OPEN at "IGN SW=ON".
(3) Resolution is 32 STEP or more.
(4) The lamp is immediately turned OFF at ALL DOOR LOCK or "IGN SWITCH = ON" during T1(phasing out lighting for 2sec).
(5) Shall be no phasing out lighting if 4DOOR SWITCH ON time is 0.08sec or less.
(6) Shall be no flashing under 4DOOR OPEN and ROOM LAMP & FOOT LAMP ON at IGN1 ON.




T1 : 30s ± 3s, T2 : 2s ± 0.2s
T3 : 32s ± 3.2s
ON : IGN1 = ON, OFF : IGN1 = OFF
6. Tail Lamp Auto Cut
(1) TAIL RELAY is turned ON when changing TAIL SWITCH from OFF to ON.
(2) TAIL RELAY is turned OFF when TAIL SWITCH is OFF.
(3) TAIL RELAY is turned OFF if the state is changed from "KEY IN SWITCH = ON" & "TAIL SWITCH = ON "to "KEY IN SWITCH = OFF" & "TAIL SWITCH = ON" & "DRIVER DOOR = OPEN". (automatic light out)
(4) TAIL RELAY is turned ON when KEY IN SWITCH is turned ON after the operation in (3).
(5) TAIL RELAY is not turned ON if DRIVER DOOR is closed after the operation in (3).




7. IGN Key Illumination Lamp
(1) KEY ILLUMI LAMP is turned ON at "ACC SWITCH = OFF" & "IGN SWITCH = OFF" & "DOOR = OPEN".
(2) KEY ILLUMI LAMP is turned ON for T1 at "DOOR = CLOSE" after the operation in (1).
(3) KEY ILLUMI LAMP is immediately turned OFF at "ACC SWITCH = ON" & "IGN SWITCH = ON" during output.
(4) KEY ILLUMI LAMP is immediately turned OFF at transition to warning MODE during output.




T1 : 30s ± 3s
ON : IGN1 = ON, OFF : IGN1 = OFF
OPEN : Dr DOOR = OPEN or As DOOR = OPEN
CLOSE : Dr DOOR = CLOSE or As DOOR = CLOSE
8. Door LOCK/UNLOCK Control
- Central Door Lock/Unlock
(1) ALL DOOR LOCK signal is output for T1(0.5s) if DRIVER/ASSIST DOOR Unlock SWITCH is turned within 3sec after DRIVER DOOR KEY LOCK SWITCH is turned ON.
(2) All DOOR UNLOCK signals are output for T1(0.5s) if DRIVER/ASSIST DOOR Unlock SWITCH is turned within 3sec after DRIVER/ASSIST DOOR KEY UNLOCK SWITCH is turned ON.
(3) Change of UNLOCK(LOCK) -> LOCK(UNLOCK) is ignored during LOCK(UNLOCK) signal output by other functions.
(4) All DOOR Lock Rly are output for T1 when TLOCK signal is received.
(5) All DOOR Unlock Rly are output for T1 when TUNLOCK signal is received.
(6) All DOOR Lock Rly are output for T1 when DRIVER/ASSIST Lock SW(POWER WINDOW) is locked.
(7) All DOOR Unlock Rly are output for T1 when DRIVER/ASSIST Lock SW(POWER WINDOW) is unlocked.
(8) LOCK/UNLOCK by SAFETY KNOB operation is not interlocked (mechanical operation).
(9) LOCK signals are output for T1 TLOCK signal is received.




T1 : 0.5s ± 0.1s
- 2-Turn Unlock (US)
(1) All DOOR UNLOCK(Driver, Assist, Rear) signals are output for T2 if DRIVER DOOR KEY UNLOCK Switch is turned ON within T1 after changing DRIVER DOOR KEY UNLOCK SWITCH from OFF to ON (mechanically, DRIVER DOOR LOCK SWITCH is unlocked and BCM signal is not output). (All DOOR UNLOCK (Driver, Assist, Rear) signals are output even within T1 after TUNLOCK signal is received.)
(2) DRIVER DOOR UNLOCK signal is output for T2 when TUNLOCK signal is received. But, all DOOR UNLOCK(Driver, Assist, Rear) signals are output for T2 if TUNLOCK signal is received within T1. (All DOOR UNLOCK(Driver, Assist, Rear) signals are output for T2 even when TUNLOCK signal in T1 Is received after changing DRIVER DOOR KEY UNLOCK SWITCH from OFF to ON.




T1 : 4s ± 1s
T2 : 0.5s ± 0.1s
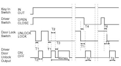
- IGN Key Reminder
(1) This function is not performed when vehicle speed is 3km/h or more.
(2) Driver Door Unlock Rly signals are output for 1s after 0.5s from when the state becomes "Key In SWITCH = IN" & "DRIVER DOOR SWITCH = OPEN" & "DRIVER DOOR Lock SWITCH = LOCK".
(3) All DOOR Unlock Rly signals are output for 1s after 0.5s from when the state becomes "Key In SWITCH = IN" & "ASSIST DOOR SWITCH = OPEN" & "ASSIST DOOR Lock SWITCH = LOCK".




T1, T3 : 0.5s ± 0.1s
T2 : 1s ± 0.1s, T4 : 0.5s MAX
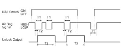
- Crash Door Unlock
(1) UNLOCK signal is always output when AIR BAG signal is input under "IGN SWITCH = ON".
(2) UNLOCK signal is output for the remaining time even when "IGN SWITCH = ON" is turned to OFF during UNLOCK output.
(3) UNLOCK signal is not output when "IGN SWITCH = OFF" is turned to ON after AIR BAG signal is input in advance.
(4) UNLOCK signal is output for T3 when Driver, Assist or Rear DOOR LOCK SWITCH is locked from UNLOCK after UNLOCK signal is output.
(5) AUTO DOOR LOCK function is not performed when CRASH UNLOCK condition is met.




T1 : 0.2s, T2 ; 40ms
T3 : 5s ± 0.5s
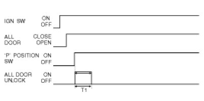
- Auto Door Lock
Change lever interlocking Auto Door Lock (only US)
(1) When IGN Switch=ON & 4 DOOR CLOSE & ANY DOOR UNLOCK Switch is UNLOCK, ALL DOOR LOCK signal is output for T2(one time) if IGN1 Switch ON during T1 at 'P' POSITION Switch = ON -> OFF.




T1 : 0.5s
T2 : 0.5s ± 0.1s
- Auto Door Unlock
Change lever interlocking Auto Door Unlock (only US)
(1) Perform after AUTO DOOR LOCK
(2) When IGN Switch=ON & 4 DOOR CLOSE & ANY DOOR UNLOCK Switch is LOCK, ALL DOOR LOCK signal is output for T1(one time) if 'P' POSITION Switch = OFF -> ON.




T1 : 0.5s ± 0.1s
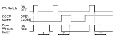
9. Power Window Timer
(1) POWER WINDOW RELAY it turned ON at IGN SW = ON.
(2) POWER WINDOW RELAY is turned ON for T1 at IGN SW = OFF.
(3) POWER WINDOW RELAY is immediately turned OFF if DOOR is opened under POWER WINDOW RELAY ON for T1.
(4) POWER WINDOW RELAY is immediately turned OFF at IGN SW ON =�OFF under DOOR OPEN.




T1 : 30 s ± 3s
10. Auto Light Control
(1) AUTO LIGHT SENSOR value is always read at IGN1 ON.
(2) LIGHT is turned ON after 2.5sec±0.2sec when AUTO LIGHT SENSOR value is same as LIGHT ON input value.
(3) LIGHT is turned OFF after 2.5sec±0.2sec when SENSOR value is same as LIGHT OFF input value.
(4) Tail Lamp Signal & H/LAMP signal is output when HEAD LAMP OUTPUT is ON.
(5) When HEAD LAMP is turned OFF, HEAD LAMP signal output is immediately stopped if Tail switch off condition is met at AUTO LIGHT SW ON.
(6) When it's HEAD LAMP ON furniture condition at movement in AUTO SW ON location at HEAD LAMP SW ON location, HEAD LAMP output is maintained with the pear which is carelessly.
(7) The case that HEAD LAMP twinkles and isn't when moving SW during HEAD LAMP ON operation to the HEAD LAMP SW location at the AUTO location by AUTO LIGHT.




T1 : 12s ± 1s
T2 : 12s ± 1s

Trouble Diagnostics When Using Diagnosis Tool

1. The body control module can diagnose by using the diagnosis tool more quickly.
The BCM communicates with the diagnosis tool and then reads the input/output value and drives the actuator.
2. To diagnose the BCM function, select the menu of model and body control module.




3. To consult the present input/out value of BCM, "02. INPUT/OUTPUT MONITORING". It provides information of BCM input/output conditions of power supply, turn signal/brake lamp, headlamp, door, locks, outside mirror, wiper, auto-light and transmitters etc.








4. To perform compulsory operation on BCM input factors, select "04. ACTUATION TEST".