LEMON Manuals: Even more car manuals for everyone: 1960-2025
Home >> Kia >> 2010 >> Rio L4-1.6L >> Repair and Diagnosis >> Powertrain Management >> Computers and Control Systems >> Relays and Modules - Computers and Control Systems >> Engine Control Module >> Diagrams >> Electrical Diagrams
April 5, 2026: LEMON Manuals is launched! Read the announcement.

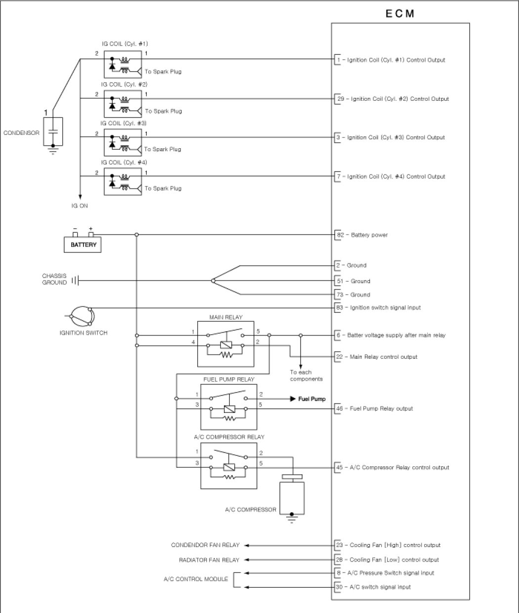
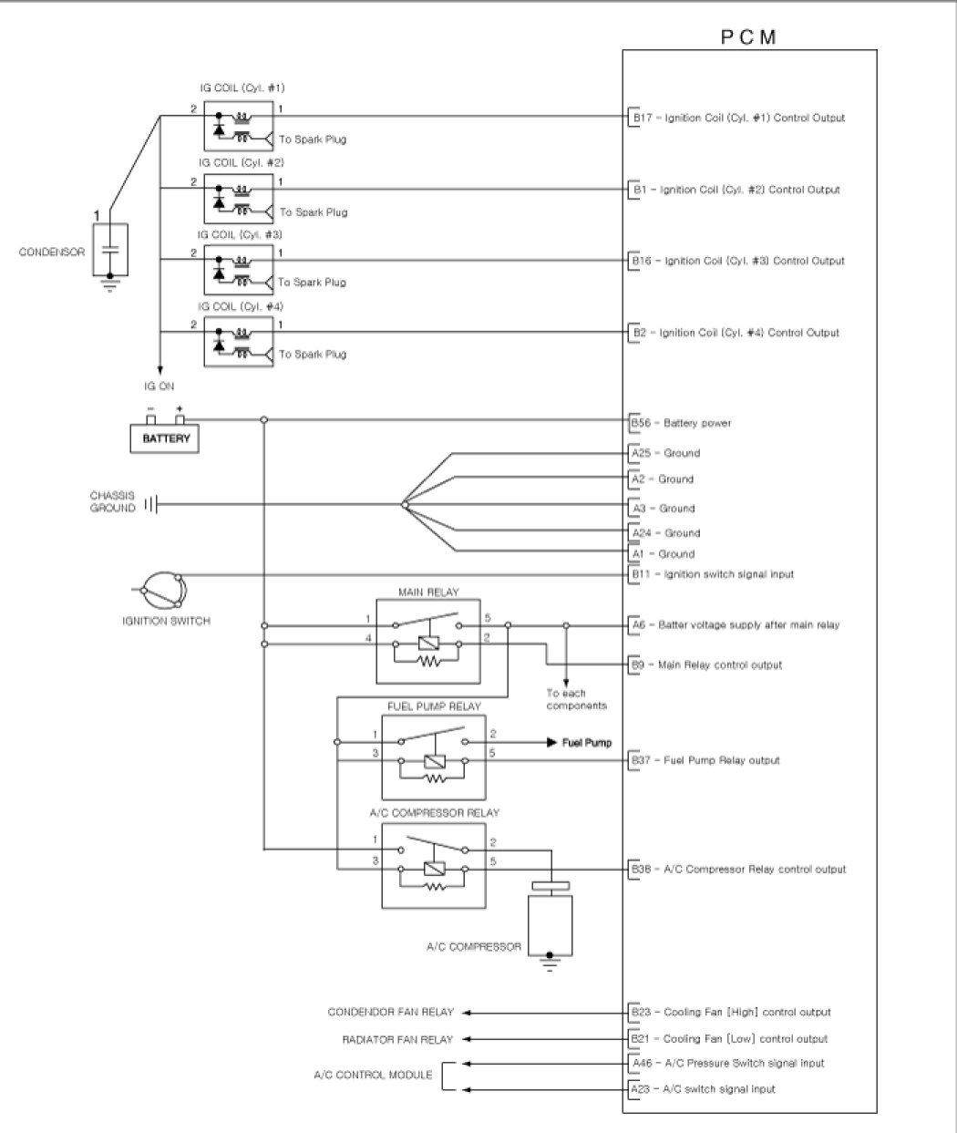
Electrical Diagrams





CIRCUIT DIAGRAM

[A/T]


















[M/T]