LEMON Manuals: Even more car manuals for everyone: 1960-2025
Home >> Kia >> 2010 >> Soul Base >> Repair and Diagnosis (Single Page) >> Accessories & Equipment >> Communication Devices >> BCM (Body Control Module) >> Body Control Module (BCM) >> Schematic Diagrams >> Circuit Diagram
April 5, 2026: LEMON Manuals is launched! Read the announcement.

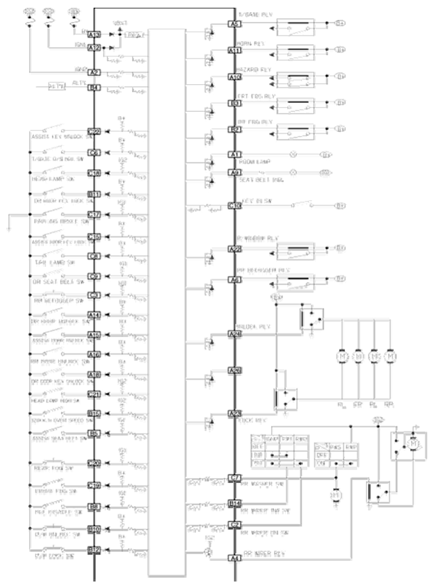
Circuit Diagram

Fig 1: Body Control Module (BCM) - Circuit Diagram (1 Of 2)
G06525382Courtesy of KIA MOTORS AMERICA, INC.
Fig 2: Body Control Module (BCM) - Circuit Diagram (2 Of 2)
G06525383Courtesy of KIA MOTORS AMERICA, INC.