LEMON Manuals: Even more car manuals for everyone: 1960-2025
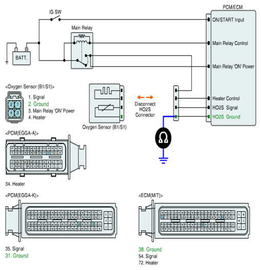
Home >> Kia >> 2010 >> Soul Base >> Repair and Diagnosis (Single Page) >> Engine Performance >> System >> Engine Control System Diagnosis (1 Of 2) - 1.6L >> DTC P0134: O2 Sensor Circuit No Activity Detected (Bank 1 Sensor 1) >> Inspection Repair >> Wire Harness Inspection >> Ground Circuit Inspection
April 5, 2026: LEMON Manuals is launched! Read the announcement.

Ground Circuit Inspection