LEMON Manuals: Even more car manuals for everyone: 1960-2025
Home >> Kia >> 2011 >> Forte L4-2.4L >> Repair and Diagnosis >> Diagrams >> Electrical Diagrams >> Automatic Transmission/Transaxle >> Control Module, A/T
April 5, 2026: LEMON Manuals is launched! Read the announcement.

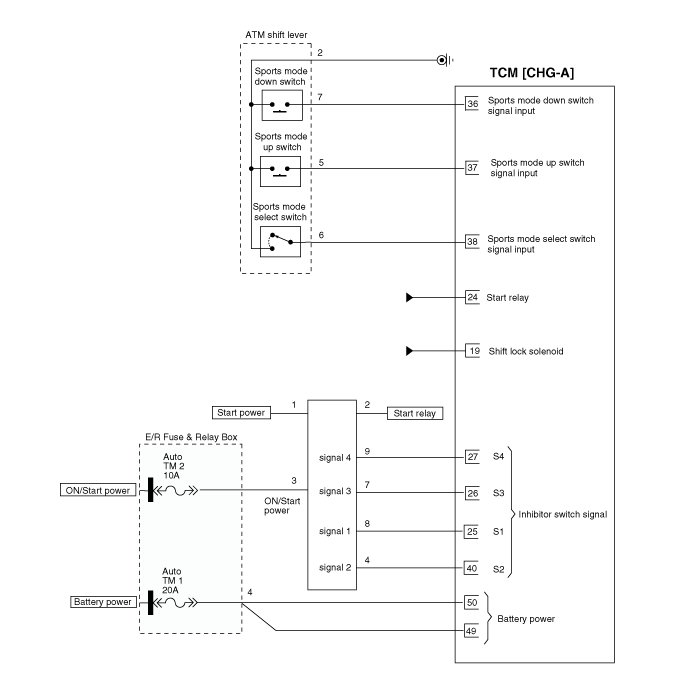
Control Module, A/T





TCM connector and terminal function





TCM Terminal Function

Connector [CHG-A]





Connector [CHG-K]






TCM Terminal input/ output signal

Connector [CHG-A]













Connector [CHG-K]






Circuit Diagram