Signal Circuit Inspection
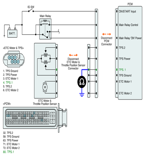
- Check for Short to Ground in Signal Circuit
- IG KEY OFF.
- Disconnect ETC connector and PCM connector.
- Measure resistance between TPS1 signal terminal of ETC harness connector and chassis ground.
Specification : Infinite
- Is resistance within specification?
YES
- Go to next procedure.
NO
- Repair as necessary and go to "VERIFICATION OF VEHICLE REPAIR " procedure.
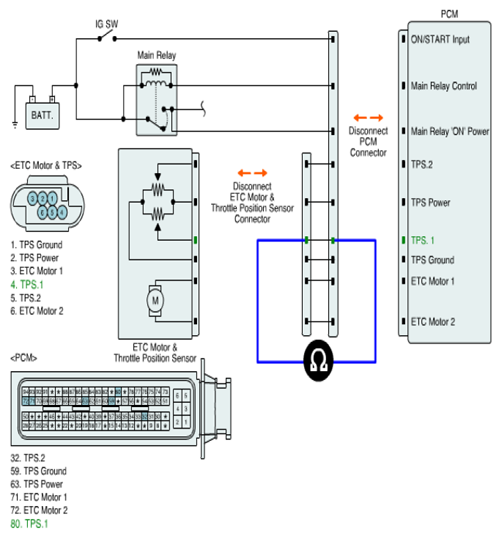
- Check for Open in Signal Circuit
- IG KEY OFF.
- Disconnect ETC connector and PCM connector.
- Measure resistance between both ends of TPS1 signal line.
Specification : Below 1Ω.
- Is resistance within specification?
YES
- Go to next procedure.
NO
- Repair as necessary and go to "VERIFICATION OF VEHICLE REPAIR " procedure.