LEMON Manuals: Even more car manuals for everyone: 1960-2025
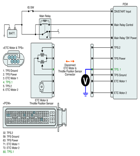
Home >> Kia >> 2011 >> Sorento Base, Automatic >> Repair and Diagnosis >> Engine Performance >> System >> Engine Control System Diagnosis (1 Of 2) - 2.4L >> DTC P0123: Throttle/Pedal Position Sensor/Switch 'A' Circuit High Input >> Inspection/Repair >> W/Harness Inspection >> Signal Circuit Inspection
April 5, 2026: LEMON Manuals is launched! Read the announcement.

Signal Circuit Inspection