Signal Circuit Inspection
- Check for Short to Ground in Signal Circuit
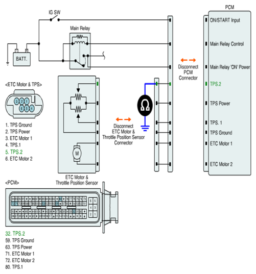
- IG KEY OFF.
- Disconnect PCM and ETC connector.
- Measure resistance between TPS2 signal terminal of ETC harness connector and chassis ground.
Specification : Infinite
- Is resistance within specification?
YES
- Go to next procedure.
NO
- Repair as necessary and go to "VERIFICATION OF VEHICLE REPAIR " procedure.
- Check for Open in Signal Circuit
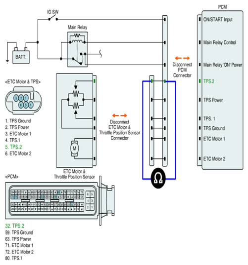
- IG KEY OFF.
- Disconnect ETC connector and PCM connector.
- Measure resistance between both ends of TPS2 signal line.
Specification : Below 1Ω.
- Is resistance within specification?
YES
- Go to next procedure.
NO
- Repair as necessary and go to "VERIFICATION OF VEHICLE REPAIR " procedure.