LEMON Manuals: Even more car manuals for everyone: 1960-2025
Home >> Kia >> 2011 >> Soul L4-1.6L >> Repair and Diagnosis >> Powertrain Management >> Computers and Control Systems >> Body Control Module >> Description and Operation >> Part 1 of 2
April 5, 2026: LEMON Manuals is launched! Read the announcement.

Part 1 of 2





Description





Function

Wiper Control
1. Wiper Data Flow




2. Washer Interlocking Wiper
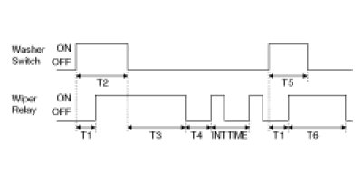
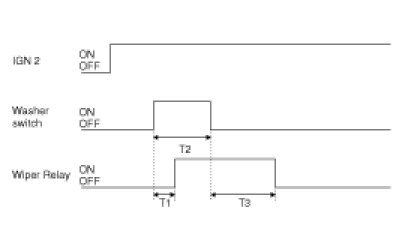
(1) Turn Wiper switch ON after T1 when turning Washer switch on at the status of IGN2 ON and if the input of Washer switch is between 0.06 and 0.2sec, turn the output of Wiper relay OFF after T3. But, ignore the input the input of Washer switch after operating Washer interlocking wiper.




T1 : 0.3±0.03sec, T2 : 0.06 - 0.2sec, T3 : 0.7±0.1sec, T2 is less than 0.06sec : T3=0
(2) Turn Wiper relay ON after T1 when turning Washer switch ON at the status of IGN2 ON and if the input of Washer switch is more than 0.2sec, turn the output of wiper relay off for 2.5 - 3.8sec after turning washer switch OFF.
But, ignore the input of Washer switch occurred while Washer interlocking Wiper is being operated and accept it from the input of Washer switch after operating Washer interlocking Wiper.




T1 : 0.3 ± 0.03s, T2 : more than 0.2sec,
T3 : 2.5 - 3.8s
(3) Turn the output of WASHER INTERLOCKING WIPER when Washer switch is turned ON for more than 0.2sec during the operation of INT WIPER. If Washer switch is turned on for less than 0.2sec, turn the output of Wiper Relay once.




T1 : 0.3 ± 0.03s, T2 : more than 0.2s,
T3 : 2.5 - 3.8s, T4 : INT TIME - 0.7s,
T5 : 0.06 - 0.2s, T6 : 0.7 ± 0.1s
(4) In case of starting (IGN1 ON & IGN2 OFF) ignore the input of Washer switch.
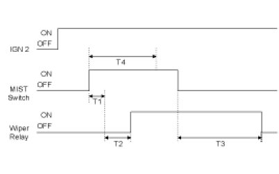
3. Mist Interlocking Wiper
(1) Turn the output of Wiper Relay for 700ms when Mist switch ON at the status of IGN2 ON.




T1 : Min 60 ms, T2 : Max 100ms,
T3 : 700 ± 100ms
(2) If the input of Mist switch is continuous (for more than 700ms), keep the condition of Wiper Relay is ON and if Mist switch is turned OFF turn the output of Wiper Relay for 700ms from that point.
(3) Ignore the input of Mist switch while operating WIPER by INT WIPER, WASHER Interlocking WIPER.




T1 : Min 60 ms, T2 : Max 100ms,
T3 : 700 ± 100ms, T4 : 700ms
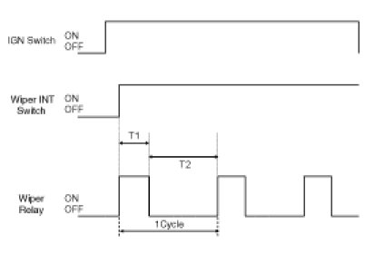
4. Variable INT Wiper
Variable INT Wiper is operated by INT volume when the input of INT WIPER switch is ON at the status of IGN2 ON.




T1 : 0.3sec MAX, T2 : 0.7 ± 1SEC
T3 : T2 + pause time
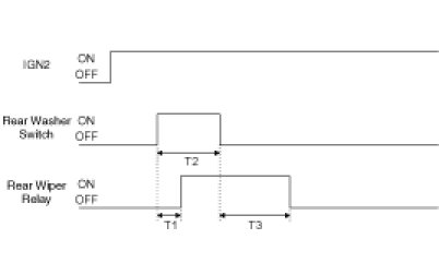
5. Rear Wiper Control




6. Rear Washer Inter Locking Rear Wiper
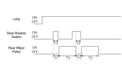
(1) Rear Wiper Relay is turned ON after T1 When Rear Washer switch is turned ON at the status of IGN2 ON. If input of Rear Washer switch is less than 0.2sec and more than 0.06sec, Rear Wiper Relay is turned OFF after T3. Ignore the input of Rear Washer switch operating Rear Washer interlocking Rear Wiper accepts the input of Rear Washer switch after the operating Rear Washer interlocking Rear Wiper.




T1 : 0.3 ± 0.03sec, T2 : 0.06 - 0.2sec
T3 : 0.7 ± 0.1sec, T2 is less than 0.06sec : T3=0
(2) Rear Wiper Relay is turned ON after T1 When Rear Washer switch is turned ON at the status of IGN2 ON. If input of Rear Washer switch is more than 0.2sec, output of Rear Wiper Relay is turned OFF after output of Rear Wiper Relay is turned ON for more than 2.5sec and less than 3.8sec after Rear Washer switch OFF. Ignore the input of Rear Washer switch operating Rear Washer interlocking Rear Wiper accept the input of Rear Washer switch after the operating Rear Washer interlocking Rear Wiper.




T1 : 0.3 ± 0.03sec, T2 : more than 0.2sec
T3 : 2.5 - 3.8sec
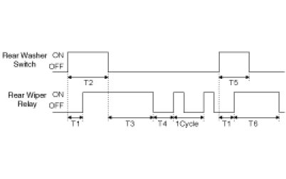
(3) If the input of Rear Washer switch is more than 0.2sec operating Rear Wiper INT, output of Rear Washer interlocking Rear Wiper is turned ON. If the input of Rear Washer is less than 0.2sec, turn the output of Rear Washer interlocking Rear Wiper once.




T1 : 0.3 ± 0.03sec, T2 : more than 0.2sec,
T3 : 2.5 - 3.8sec, T4 : 1Cucle -0.7sec,
T5 : 0.06 - 0.2sec, T6 : 0.7 ± 0.1sec
7. Rear Wiper ON
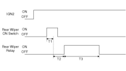
(1) IF Rear Wiper ON switch is ON at the status of IGN2 ON, the output of Rear Wiper Relay is turned ON for 700ms.




T1 : Min 60ms, T2 : Max 100ms,
T3 : 700 ± 100ms
(2) If the input of Rear Wiper ON switch is continuous (for more than 700ms), keep the condition of Rear Wiper Relay ON is ON and if Rear Wiper ON switch is turned OFF turn the output of Rear Wiper Relay for 700ms from that point.
8. Rear Wiper INT
(1) If Rear Wiper INT switch is turned ON, Rear Wiper Relay is operated in a cycle (0.7sec ON & 6sec OFF).




T1 = 0.7s ± 0.1s, T2=6s ± 0.6s

Lamp Control
1. Exterior Lamp Control Data Flow




2. Tail Lamp Auto Cut
(1) Turn IGN KEY OFF when turning Tail Lamp switch ON after turning IGN KEY ON and turn Tail Lamp Relay OFF(automatic blackout) when Driver Door open switch is opened.
(2) Also, Tail Lamp Relay OFF(automatic blackout) even though IGN KEY is turned OFF after opening Driver Door open switch at the condition that IGN KEY is ON.
(3) When turning Tail Lamp switch ON again form OFF after the automatic blackout, Tail Lamp Relay will be turned ON and AUTO CUT function will be cancelled.
(4) When turning IGN KEY ON after the automatic blackout, Tail Lamp Relay will be turned ON and AUTO CUT function will be cancelled.
(5) AUTO CUT will be kept when removing or installing B+ at the status of AUTO CUT.
(6) Tail Lamp Relay will be kept turning OFF though Driver Door open switch is closed from opened at the status of AUTO CUT.




*1 IGN KEY ON : (Push Knob SW or Key In SW ON or IGN 1 ON or IGN 2 ON)
IGN KEY ON : (Push Knob SW and Key In SW OFF and IGN 1 OFF and IGN 2 OFF)
3. Daytime Running Lamps
(1) If Alt 'L' is High, DRL control put in operation.
(2) If Head Lamp Low Relay is turned ON or Head Lamp High Switch is turned ON during DRL control operating, DRL control is cancelled.




4. Head Lamp Low
(1) If Head Lamp switch is turned ON at the status of IGN2 ON, output of Head Lamp Low Relay is turned ON.
(2) If IGN2 is turned OFF or Head Lamp switch is turn OFF, output of Head Lamp Low Relay is turned OFF.




5. Front Fog Lamp
(1) If IGN2 ON, Head Lamp Low Relay ON, Head Lamp High Switch OFF and Front Fog Switch ON, turn Front Fog Relay ON.
(2) Turn Front Fog Relay OFF excluding this condition.





Interior Room Lamp
1. Interior Room Lamp Data Flow




2. Decayed Room Lamp & Keyless Unlock Timer
When removing or installing the Battery
(1) Start Room Lamp on the state of 20min, if the DOOR is OPENED.
(2) Start Room Lamp when it is OFF if the DOOR is CLOSED.
3. Room Lamp Off
(1) Condition 1





(2) Condition 2





(3) Condition 3









T1 : 20 ± 1min, T2 :30 ± 3sec
4. Room Lamp On for 30s
(1) Condition 1





(2) Condition 2





(3) Condition 3









T1 : 20 ± 1min, T2 : 30 ± 3sec
5. Room Lamp On for 20min
(1) Condition 1





(2) Condition 2





(3) Condition 3









T1 :20 ± 1min, T2 : 30 ± 3sec
6. Room Lamp Decaying
(1) Condition 1





(2) Condition 2





(3) Condition 3





(4) Condition 4









T1 : 20 ± 1min, T2 : 30 ± 3sec.
7. Room Lamp On
(1) Condition 1





(2) Condition 2





(3) Condition 3









T1 : 20 ± 1min, T2 : 30 ±3sec

NOTE:
1. ROOM LAMP should not be flickered when turning IGN1 ON.
2. Exposure for the ROOM LAMP should be more than 32 steps.

8. Buzzer Control
(1) SPECIFICATION of BUZZER SOUND









(2) Priority :
S/BELT WARNING/SEAT BELT REMINDER > OVER SPEED WARNING > KEY OPERATED WARNING
(3) Keep the output up to the OFF cycle when turning the output OFF.
(4) Measurement distance for sound pressure: 1.0 m

Warning Control
1. Warning Control Data Flow




2. Seat Belt Warning Timer
(1) From State IGN1 Off (Default State)










(2) From State IGN1 On Driver Belted















(3) From State IGN1 On Driver Unbelted




















(4) From State Pattern















3. Key Operated Warning
(1) When Driver Door Switch is ON at the status of KEY IN ON, Buzzer will be outputted per 0.6sec continuously.
(2) If KEY IN turns OFF or Driver Door Switch is CLOSED during Buzzer output, the output will turn OFF.
(3) When IGN1 turns ON while outputting, the output will be stopped.




T1 : 0.6 ± 0.1sec

Rear Defogger Timer Control
1. Rear Defogger Control Data Flow




2. Rear Defogger Timer
(1) With the Engine Running (charging voltage at Alt 'L' terminal, 12v at IGN1) and the Rear Defogger turned on, the Rear Defogger relay will stay ON for 20min.
(2) If Rear Defogger switch turns ON again while Rear Defogger relay output is ON, turn Rear Defogger relay output OFF.
(3) The Defogger will turn OFF if there is no charging voltage at Alt 'L' or there is not 12v at ING1 even though the Rear Defogger relay output is ON.
(4) If Alt 'L' is over 10 Volts Engine is RUNNING (Alt 'L' ON) and if Alt 'L' is less than 5 Volts ENGINE is STOPPED (Alt 'L' OFF). Also, Alt'L' is between 5 and 10 Volts, keep the previous condition.
(5) Rear Defogger relay should not be outputted when turning Alt 'L' ON while Rear Defogger switch is pressed.




T1 : 20 ± 1min
3. Power Window Timer




(1) Turn Power window Relay output ON when turning IGN2 ON.
(2) Turn Power window Relay output OFF after keeping Power window Relay output for 30sec when IGN2 is OFF.
(3) Turn Power window Relay OFF immediately when opening Driver Door Switch or Passenger Door Switch within the condition (2) above.
(4) Turn Power window Relay output OFF when IGN2 is OFF while Driver Door Switch or Passenger Door Switch is open.




T1 : 30 ± 3sec