LEMON Manuals: Even more car manuals for everyone: 1960-2025
Home >> Kia >> 2012 >> Optima L4-2.4L Hybrid >> Repair and Diagnosis >> Diagrams >> Electrical Diagrams >> Starting System >> Keyless Starting System >> Keyless Start Control Module
April 5, 2026: LEMON Manuals is launched! Read the announcement.

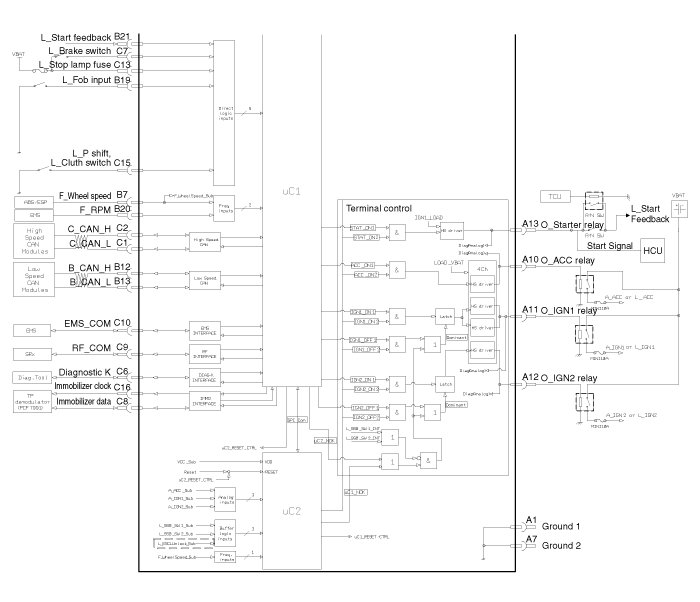
Keyless Start Control Module





Circuit Diagram