LEMON Manuals: Even more car manuals for everyone: 1960-2025
Home >> Kia >> 2012 >> Optima LX, Automatic Trans >> Repair and Diagnosis >> External Pages >> Different car >> Section 52 (Engine Control System - 2.0L) >> Engine Control Module (ECM) >> Schematic Diagrams >> Circuit Diagram
April 5, 2026: LEMON Manuals is launched! Read the announcement.

Circuit Diagram

WARNING: This page is about a different car, the 2013 Kia Sportage and 2012 Kia Sportage. However, it is still accessible from the selected car via links, so may be relevant.
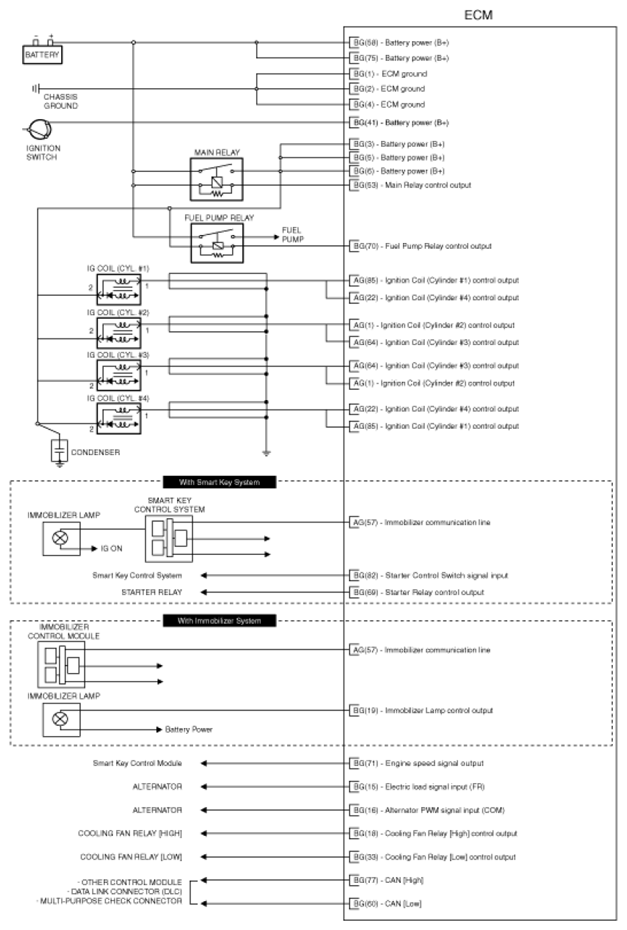
Fig 1: ECM Circuit Diagram (1 Of 4)
G07422572Courtesy of KIA MOTORS AMERICA, INC.
Fig 2: ECM Circuit Diagram (2 Of 4)
G07422573Courtesy of KIA MOTORS AMERICA, INC.
Fig 3: ECM Circuit Diagram (3 Of 4)
G07422574Courtesy of KIA MOTORS AMERICA, INC.
Fig 4: ECM Circuit Diagram (4 Of 4)
G07422575Courtesy of KIA MOTORS AMERICA, INC.