LEMON Manuals: Even more car manuals for everyone: 1960-2025
Home >> Kia >> 2012 >> Optima SX >> Repair and Diagnosis (Single Page) >> Accessories & Equipment >> Communication Devices >> Body Control Module (BCM) - Except HEV >> Body Control Module (BCM) >> Description And Operation >> Function >> Description Of State
April 5, 2026: LEMON Manuals is launched! Read the announcement.

Description Of State

  1. Room Lamp off
    STATE DESCRIPTION CHART

    State Description
    Initial Condition Room lamp decaying
    Event Decay finished
    Action Room lamp off
    Fig 1: Room Lamp Off Timing Pattern Graph
    G07380736Courtesy of KIA MOTORS AMERICA, INC.
  2. Room Lamp on
    STATE DESCRIPTION CHART

    State Description
    Initial Condition Room Lamp off
    Event IGN1 on & 4 door switch on
    Action Room Lamp on
    Fig 2: Room Lamp On Timing Pattern Graph
    G07380737Courtesy of KIA MOTORS AMERICA, INC.
    STATE DESCRIPTION CHART

    State Description
    Initial Condition Room Lamp Decaying
    Event IGN1 on & 4 door switch on
    Action Room Lamp on
    STATE DESCRIPTION CHART

    State Description
    Initial Condition Room Lamp on for 20 min
    Event IGN1 on
    Action Room Lamp on
  3. Room Lamp on for 30s
    STATE DESCRIPTION CHART

    State Description
    Initial Condition Room Lamp on for 30s
    Event TX Unlock or Key In switch on→off
    Action Restart Room Lamp on for 30s
    STATE DESCRIPTION CHART

    State Description
    Initial Condition Room Lamp on
    Event IGN1 off & 4 door switch off
    Action Start Room Lamp on for 30s
    Fig 3: Room Lamp On For 30s Timing Pattern Graph
    G07380738Courtesy of KIA MOTORS AMERICA, INC.
    NOTE:
    • The flickering of lamp is not allowed even though IGN1 ON
    • The resolution of Decayed Room Lamp must be more than 32 step.
    STATE DESCRIPTION CHART

    State Description
    Initial Condition Room Lamp on for 20 min
    Event IGN1 off & 4 door switch off
    Action Start Room Lamp on for 30s
    STATE DESCRIPTION CHART

    State Description
    Initial Condition Room Lamp Decaying
    Event IGN1 off & 4 door switch off & (TX Unlock or Key In switch on→off)
    Action Start Room Lamp on for 30s
    STATE DESCRIPTION CHART

    State Description
    Initial Condition Room Lamp off
    Event IGN1 off & 4 door switch off & (TX Unlock or Key In switch on→off)
    Action Start Room Lamp on for 30s
  4. Room Lamp Decaying
    STATE DESCRIPTION CHART

    State Description
    Initial Condition Room Lamp on for 30s
    Event IGN1 on or 30s elapsed or Any Door Unlock→All Door Lock1
    Action Start Room Lamp Decaying
    Fig 4: Room Lamp Decaying Timing Pattern Graph (1 Of 2)
    G07380739Courtesy of KIA MOTORS AMERICA, INC.
    STATE DESCRIPTION CHART

    State Description
    Initial Condition Room Lamp on
    Event IGN1 on or 4 door switch off
    Action Start Room Lamp Decaying
    STATE DESCRIPTION CHART

    State Description
    Initial Condition Room Lamp on for 20 min
    Event 20 min elapsed or (IGN1 off & 4 door switch off & All Door Lock1)
    Action Start Room Lamp Decaying
    Fig 5: Room Lamp Decaying Timing Pattern Graph (2 Of 2)
    G07380740Courtesy of KIA MOTORS AMERICA, INC.
  5. Room Lamp on for 20 min
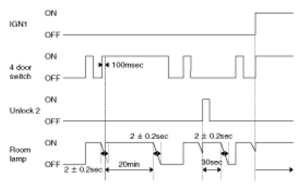
    STATE DESCRIPTION CHART

    State Description
    Initial Condition Room Lamp off
    Event IGN1 off & (4 door switch off→on for 100ms)
    Action Start Room Lamp on for 20 min
    STATE DESCRIPTION CHART

    State Description
    Initial Condition Room Lamp Decaying
    Event IGN1 off & (4 door switch off→on for 100ms)
    Action Start Room Lamp on for 20 min
    STATE DESCRIPTION CHART

    State Description
    Initial Condition Room Lamp on for 30s
    Event IGN1 off & (4 door switch off→on for 100ms)
    Action Start Room Lamp on for 20 min
    STATE DESCRIPTION CHART

    State Description
    Initial Condition Room Lamp on
    Event IGN1 off & 4 door switch on
    Action Start Room Lamp on for 20 min