LEMON Manuals: Even more car manuals for everyone: 1960-2025
Home >> Kia >> 2012 >> Rondo (CANADA) L4-2.4L >> Repair and Diagnosis >> Relays and Modules >> Relays and Modules - Powertrain Management >> Relays and Modules - Computers and Control Systems >> Engine Control Module >> Diagrams >> Electrical Diagrams
April 5, 2026: LEMON Manuals is launched! Read the announcement.

Electrical Diagrams





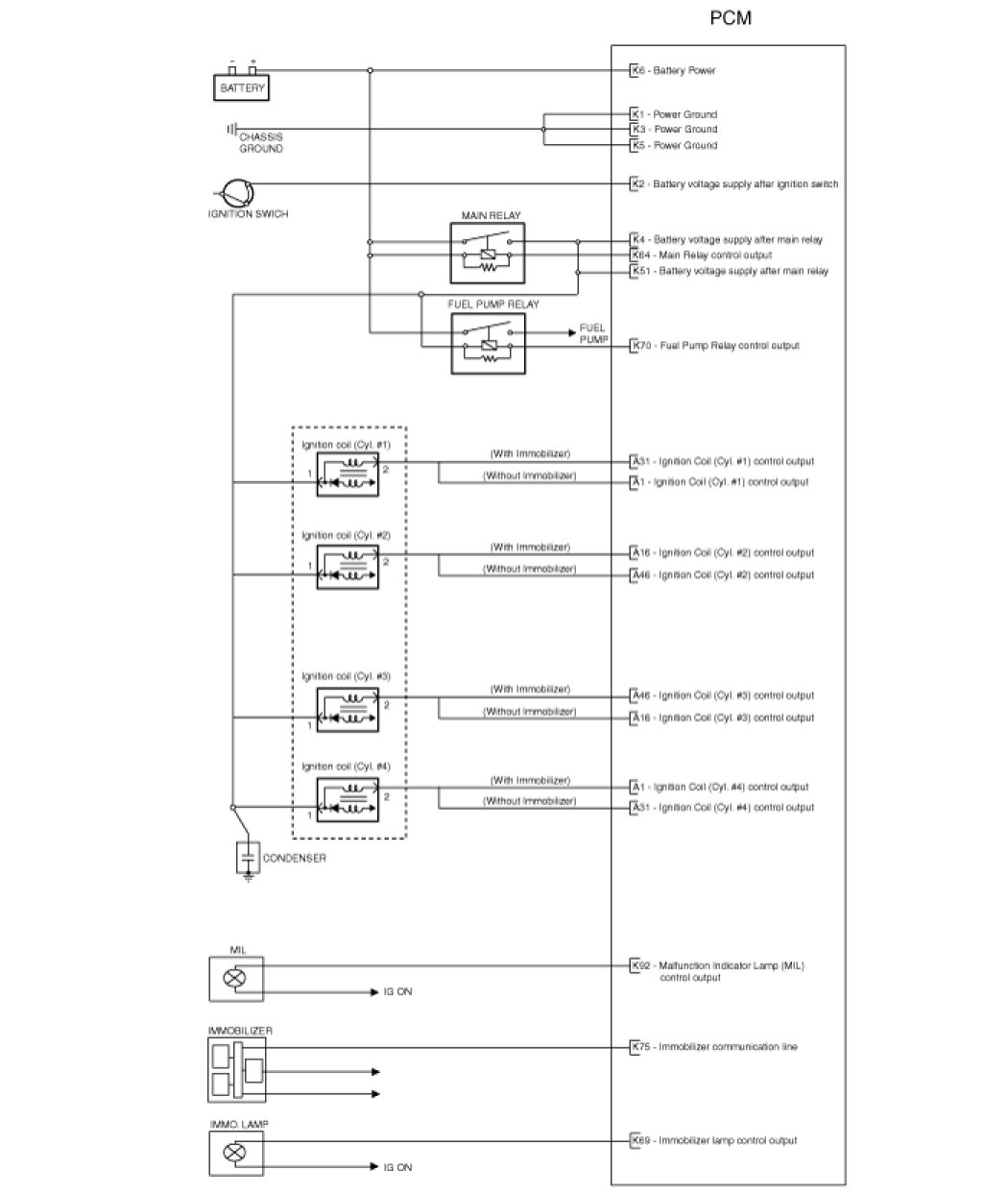
Powertrain control module (PCM)

1. PCM harness connector




2. PCM terminal function
Connector [C301-K]













Connector [C301-A]









3. Input / output signal
Connector [C301-K]





















Connector [C301-A]










Circuit diagram