LEMON Manuals: Even more car manuals for everyone: 1960-2025
Home >> Kia >> 2012 >> Soul ! >> Repair and Diagnosis >> External Pages >> Different car >> Section 35 (Automatic Transaxle Control System - 2.4L) >> Transaxle Control Module (TCM) >> Schematic Diagrams >> Circuit Diagram
April 5, 2026: LEMON Manuals is launched! Read the announcement.

Circuit Diagram

WARNING: This page is about a different car, the 2013 Kia Sportage and 2012 Kia Sportage. However, it is still accessible from the selected car via links, so may be relevant.
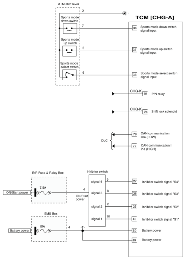
Fig 1: TCM Connector (CHG-A) - Circuit Diagram (1 Of 2)
G07426199Courtesy of KIA MOTORS AMERICA, INC.
Fig 2: TCM Connector (CHG-A) - Circuit Diagram (2 Of 2)
G07426200Courtesy of KIA MOTORS AMERICA, INC.