LEMON Manuals: Even more car manuals for everyone: 1960-2025
Home >> Kia >> 2013 >> Soul Base, Automatic Trans >> Repair and Diagnosis >> External Pages >> Different car >> Section 66 (Body Control Module (BCM)) >> Description And Operation >> Function >> Interior Lamp Control >> Room Lamp Control
April 5, 2026: LEMON Manuals is launched! Read the announcement.

Room Lamp Control

WARNING: This page is about a different car, the 2013 Kia Sportage and 2012 Kia Sportage. However, it is still accessible from the selected car via links, so may be relevant.
  1. Transitions from "Room Lamp Off" state:
    STATE DESCRIPTION CHART

    State Description
    Initial Condition "Room Lamp Off" state:
    A_IGN1 = Off&b_AllDoorsClose = On&C_TGSW =Off
    Event
    1. b_KeyOn = Off&b_Unlock = Off →On: (Unlock by RKE or Passive)
    2. b_KeyOn = On→Off
    Action
    • State changed to "Room Lamp 30 sec On"
    • Start RoomLamp30Timer
    • O_RoomLamp = On (during RoomLamp30Time)
    STATE DESCRIPTION CHART

    State Description
    Initial Condition "Room Lamp Off" state:
    A_IGN1 = Off
    Event
    1. b_AnyDoorOpen = Off → On or
    2. Reset&b_AnyDoorOpen = On
    Action
    • State changed to "Room Lamp 20 min On"
    • Start RoomLamp20Timer
    • O_RoomLamp = On (during RoomLamp20Time)
    STATE DESCRIPTION CHART

    State Description
    Initial Condition "Room Lamp Off" state:
    Event A_IGN1 = On&b_AnyDoorOpen = On
    Action
    • State changed to "Room Lamp On"
    • O_RoomLamp = On
    Fig 1: Room Lamp Control Signal Chart
    G07426836Courtesy of KIA MOTORS AMERICA, INC.

    T1: Room lamp 30 time, T2: Room lamp 20 time

    VALUE SPECIFICATION CHART

    Value Name Value
    Room Lamp 30 Time 30 sec ± 3 sec
    Room Lamp 20 Time 20 min ± 1 min
  2. Transitions from "Room Lamp 30 sec On" state:
    STATE DESCRIPTION CHART

    State Description
    Initial Condition "Room Lamp 30 sec On" state:
    Event
    1. A_IGN1 == On or
    2. RoomLamp30Timer > RoomLamp30Time or
    3. C_TGSW == Off&b_AllDoorsLock == Off → On or
    4. b_ATWSARM == On
    Action
    • State changed to "Room Lamp Decaying"
    • Cancel RoomLamp30Timer
    • Start RoomLampDecayTimer
    • O_RoomLamp = Decaying (Decaying time: RoomLampDecayTime)
    STATE DESCRIPTION CHART

    State Description
    Initial Condition "Room Lamp 30 sec On" state:
    A_IGN1 == Off&b_AllDoorsClose == On&C_TGSW == Off
    Event
    1. b_KeyOn == Off&b_Unlock == Off →On: (Unlock by RKE or Passive)
    2. b_KeyOn == On→Off
    Action
    • State remains "Room Lamp 30 sec On"
    • Re-start RoomLamp30Timer (re-start for additional RoomLamp30Time)
    STATE DESCRIPTION CHART

    State Description
    Initial Condition "Room Lamp 30 sec On" state:
    A_IGN1 == Off
    Event b_AnyDoorOpen == Off→On
    Action
    • State changed to "Room Lamp 20 min On"
    • Cancel RoomLamp30Timer
    • Start RoomLamp20Timer
    • O_RoomLamp = On (during RoomLamp20Time)
    Fig 2: Room Lamp Control Signal Chart (30 Min)
    G07426837Courtesy of KIA MOTORS AMERICA, INC.

    T1: Room lamp 30 time, T2: Room lamp 20 time

    VALUE SPECIFICATION CHART

    Value Name Value
    Room Lamp 30 Time 30 sec ± 3 sec
    Room Lamp 20 Time 20 min ± 1 min
  3. Transitions from "Room Lamp 20 min On" state:
    STATE DESCRIPTION CHART

    State Description
    Initial Condition "Room Lamp 20 min On" state:
    Event
    • RoomLamp20Timer > 20 min or
    • A_IGN1 == Off&b_AllDoorsClose == On&C_TGSW == Off&b_AllDoorsLock == On
    Action
    • State changed to "Room Lamp Decaying"
    • Cancel RoomLamp20Timer
    • Start RoomLampDecayTimer
    • O_RoomLamp = Decaying (Decaying time: RoomLampDecayTime)
    STATE DESCRIPTION CHART

    State Description
    Initial Condition "Room Lamp 20 min On" state:
    A_IGN1 == Off
    Event b_AllDoorsClose == On&C_TGSW == Off&b_AllDoorsLock == Off
    Action
    • State changed to "Room Lamp 30 sec On"
    • Cancel RoomLamp20Timer
    • Start RoomLamp30Timer
    • O_RoomLamp = On (during RoomLamp30Time)
    STATE DESCRIPTION CHART

    State Description
    Initial Condition "Room Lamp 20 min On" state:
    Event A_IGN1 = On
    Action
    • State changed to "Room Lamp On"
    • Cancel RoomLamp20Timer
    • O_RoomLamp = On
    Fig 3: Room Lamp Control Signal Chart (20 Min)
    G07426838Courtesy of KIA MOTORS AMERICA, INC.

    T1: Room lamp 30 time, T2: Room lamp 20 time

    VALUE SPECIFICATION CHART

    Value Name Value
    Room Lamp 30 Time 30 sec ± 3 sec
    Room Lamp 20 Time 20 min ± 1 min
  4. Transitions from "Room Lamp Decaying" state:
    STATE DESCRIPTION CHART

    State Description
    Initial Condition "Room Lamp Decaying" state:
    Event RoomLampDecayTimer > RoomLampDecayTime
    Action
    • State changed to "Room Lamp Off"
    • Cancel RoomLampDecayTimer
    • O_RoomLamp = Off
    STATE DESCRIPTION CHART

    State Description
    Initial Condition "Room Lamp Decaying" state:
    A_IGN1 == Off&b_AllDoorsClose == On&C_TGSW == Off
    Event
    1. b_KeyOn == Off&b_Unlock == Off →On: (Unlock by RKE or Passive)
    2. b_KeyOn == On→Off
    Action
    • State changed to "Room Lamp 30 sec On"
    • Cancel RoomLampDecayTimer
    • Start RoomLamp30Timer
    • O_RoomLamp = On (during RoomLamp30Time)
    STATE DESCRIPTION CHART

    State Description
    Initial Condition "Room Lamp Decaying" state:
    Event A_IGN1 == On&b_AnyDoorOpen == On
    Action
    • State changed to "Room Lamp On"
    • Cancel RoomLampDecayTimer
    • O_RoomLamp = On
    STATE DESCRIPTION CHART

    State Description
    Initial Condition "Room Lamp Decaying" state:
    A_IGN1 == Off
    Event b_AnyDoorOpen == Off → On
    Action
    • State changed to "Room Lamp 20 min On"
    • Cancel RoomLampDecayTimer
    • Start RoomLamp20Timer
    • O_RoomLamp = On (during RoomLamp20Time)
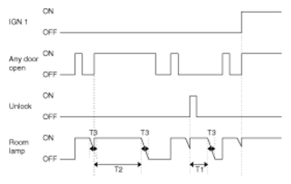
    Fig 4: Room Lamp Decaying Signal Chart
    G07426839Courtesy of KIA MOTORS AMERICA, INC.

    T1: Room lamp 30 time, T2: Room lamp 20 time,

    T3: Room lamp decay time

    VALUE SPECIFICATION CHART

    Value Name Value
    Room Lamp 30 Time 30 sec ± 3 sec
    Room Lamp 20 Time 20 min ± 1 min
    Room Lamp Decay Time 2 sec ± 0.2 sec
  5. Transitions from "Room Lamp On" state:
STATE DESCRIPTION CHART

State Description
Initial Condition "Room Lamp On" state:
A_IGN1 == On
Event b_AllDoorsClose == On&C_TGSW == Off
Action
  • State changed to "Room Lamp Decaying"
  • Start RoomLampDecayTimer
  • O_RoomLamp = Decaying (Decaying time: RoomLampDecayTime)
STATE DESCRIPTION CHART

State Description
Initial Condition "Room Lamp On" state:
Event A_IGN1 == Off&b_AllDoorsClose == On&C_TGSW == Off
Action
  • State changed to "Room Lamp 30 sec On"
  • Start RoomLamp30Timer
  • O_RoomLamp = On (during RoomLamp30Time)
STATE DESCRIPTION CHART

State Description
Initial Condition "Room Lamp On" state:
Event A_IGN1 == Off&b_AnyDoorOpen == On
Action
  • State changed to "Room Lamp 20 min On"
  • Start RoomLamp20Timer
  • O_RoomLamp = On (during RoomLamp20Time)