LEMON Manuals: Even more car manuals for everyone: 1960-2025
Home >> Kia >> 2014 >> Sorento EX, FWD >> Repair and Diagnosis >> External Pages >> Different variant/trim >> Section 17 (Engine Control System - 2.4L) >> Engine Control Module (ECM) >> Schematic Diagrams >> Circuit Diagram
April 5, 2026: LEMON Manuals is launched! Read the announcement.

Circuit Diagram

WARNING: This page is about a different variant/trim than selected.
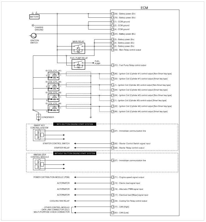
Fig 1: Engine Control System Circuit (1 Of 4)
G09764287Courtesy of KIA MOTORS AMERICA, INC.
Fig 2: Engine Control System Circuit (2 Of 4)
G09764288Courtesy of KIA MOTORS AMERICA, INC.
Fig 3: Engine Control System Circuit (3 Of 4)
G09764289Courtesy of KIA MOTORS AMERICA, INC.
Fig 4: Engine Control System Circuit (4 Of 4)
G09764290Courtesy of KIA MOTORS AMERICA, INC.