LEMON Manuals: Even more car manuals for everyone: 1960-2025
Home >> Kia >> 2015 >> K900 V6 >> Repair and Diagnosis >> Engine Performance >> Engine Control Systems >> Engine Control System - 3.8L >> Engine Control Module (ECM) >> Schematic Diagrams >> Circuit Diagram
April 5, 2026: LEMON Manuals is launched! Read the announcement.

Circuit Diagram

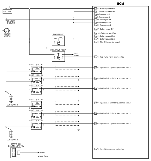
Fig 1: ECM Circuit Diagram (1 Of 5)
G10716975Courtesy of KIA MOTORS AMERICA, INC.
Fig 2: ECM Circuit Diagram (2 Of 5)
G10716976Courtesy of KIA MOTORS AMERICA, INC.
Fig 3: ECM Circuit Diagram (3 Of 5)
G10716977Courtesy of KIA MOTORS AMERICA, INC.
Fig 4: ECM Circuit Diagram (4 Of 5)
G10716978Courtesy of KIA MOTORS AMERICA, INC.
Fig 5: ECM Circuit Diagram (5 Of 5)
G10716979Courtesy of KIA MOTORS AMERICA, INC.