Electrical Circuit Inspection Procedure
- Check Open Circuit
- Procedures for Open Circuit
- Continuity Check
- Voltage Check
If an open circuit occurs (as seen in [Fig 1]), it can be found by performing Step 2 (Continuity Check Method) or Step 3 (Voltage Check Method) as shown below.
- Continuity Check MethodNOTE: When measuring for resistance, lightly shake the wire harness above and below or from side to side.
Specification (Resistance)
1Ω or less → Normal Circuit
1MΩ or Higher → Open Circuit
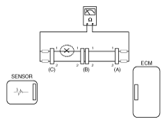
- Disconnect connectors (A), (C) and measure resistance between connector (A) and (C) as shown in [Fig 2].
In [Fig 2.] the measured resistance of line 1 and 2 is higher than 1MΩ and below 1 Ω respectively. Specifically the open circuit is line 1 (Line 2 is normal). To find exact break point, check sub line of line 1 as described in next step.
- Disconnect connector (B), and measure for resistance between connector (C) and (B1) and between (B2) and (A) as shown in [Fig 3].
In this case the measured resistance between connector (C) and (B1) is higher than 1MΩ and the open circuit is between terminal 1 of connector (C) and terminal 1 of connector (B1).
- Disconnect connectors (A), (C) and measure resistance between connector (A) and (C) as shown in [Fig 2].
- Voltage Check Method
- With each connector still connected, measure the voltage between the chassis ground and terminal 1 of each connectors (A), (B) and (C) as shown in [Fig 4].
The measured voltage of each connector is 5V, 5V and 0V respectively. So the open circuit is between connector (C) and (B).
- With each connector still connected, measure the voltage between the chassis ground and terminal 1 of each connectors (A), (B) and (C) as shown in [Fig 4].
- Procedures for Open Circuit
- Check Short Circuit
- Test Method for Short to Ground Circuit
- Continuity Check Method (with Chassis Ground)NOTE: Lightly shake the wire harness above and below, or from side to side when measuring the resistance.
Specification (Resistance)
1Ω or less → Short to Ground Circuit
1MΩ or Higher → Normal Circuit
- Disconnect connectors (A), (C) and measure for resistance between connector (A) and Chassis Ground as shown in [Fig 6].
The measured resistance of line 1 and 2 in this example is below 1 Ω and higher than 1MΩ respectively. Specifically the short to ground circuit is line 1 (Line 2 is normal). To find exact broken point, check the sub line of line 1 as described in the following step.
- Disconnect connector (B), and measure the resistance between connector (A) and chassis ground, and between (B1) and chassis ground as shown in [Fig 7].
The measured resistance between connector (B1) and chassis ground is 1Ω or less. The short to ground circuit is between terminal 1 of connector (C) and terminal 1 of connector (B1).
- Disconnect connectors (A), (C) and measure for resistance between connector (A) and Chassis Ground as shown in [Fig 6].
- Testing For Voltage Drop
This test checks for voltage drop along a wire, or through a connection or switch.
- Connect the positive lead of a voltmeter to the end of the wire (or to the side of the connector or switch) closest to the battery.
- Connect the negative lead to the other end of the wire. (or the other side of the connector or switch)
- Operate the circuit.
- The voltmeter will show the difference in voltage between the two points. A difference, or drop of more than 0.1 volts (50mV in 5V circuits), may indicate a problem. Check the circuit for loose or dirty connections.