LEMON Manuals: Even more car manuals for everyone: 1960-2025
Home >> Kia >> 2015 >> Sedona EX >> Repair and Diagnosis >> Engine Performance >> System >> Engine Control System Diagnosis (1 Of 4) >> DTC P0154: O2 Sensor Circuit No Activity Detected (Bank 2/Sensor 1) >> Wiring Inspection >> Terminal And Connector Inspection
April 5, 2026: LEMON Manuals is launched! Read the announcement.

Terminal And Connector Inspection

  1. Many malfunctions in the electrical system are caused by poor connection. Faults can also be caused by interference from other electrical systems, and mechanical or chemical damage.
  2. Thoroughly check connectors for looseness, poor connection, bending, corrosion, contamination, deterioration, or damage.
  3. Has a problem been found?
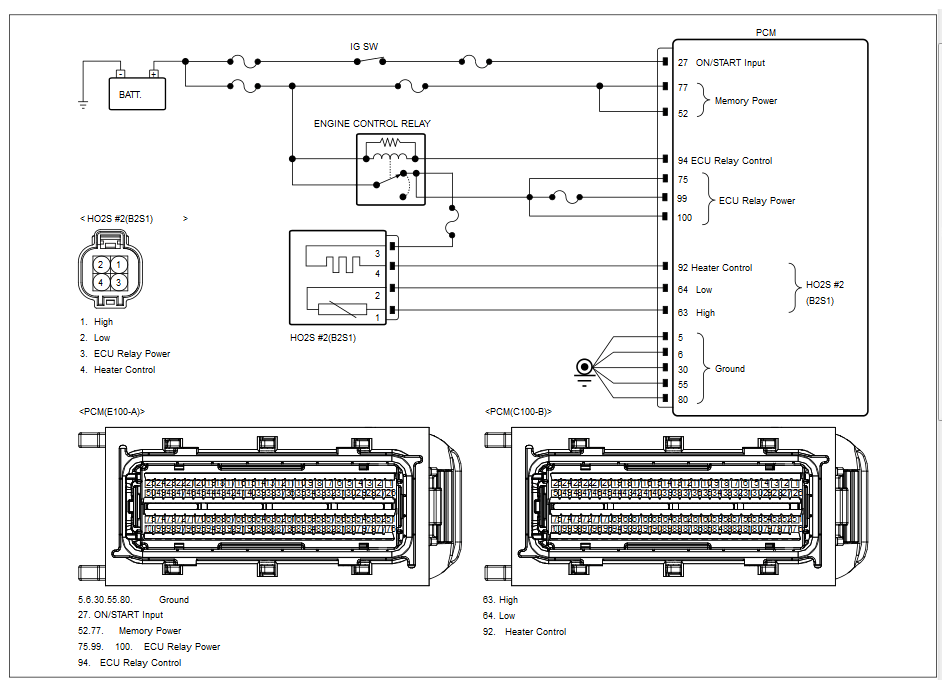
    Fig 1: Heated Oxygen Sensor (Bank 2/Sensor 1) Circuit Diagram
    G10646052Courtesy of KIA MOTORS AMERICA, INC.

    YES 

    NO