LEMON Manuals: Even more car manuals for everyone: 1960-2025
Home >> Kia >> 2015 >> Soul Base, Standard Trans >> Repair and Diagnosis >> Engine Performance >> System >> Engine Control System Diagnosis (2 Of 2) - 1.6L >> DTC P2128: Accelerator Position Sensor 2 Signal Circuit High Input >> Wiring Inspection >> Terminal and Connector Inspection
April 5, 2026: LEMON Manuals is launched! Read the announcement.

Terminal and Connector Inspection

  1. Many malfunctions in the electrical system are caused by poor harness and terminals. Faults can also be caused by interference from other electrical systems, and mechanical or chemical damage.
  2. Thoroughly check all connectors (and connections) for looseness, bending, corrosion, contamination, deterioration, and/or damage.
  3. Has a problem been found?
    Fig 1: Accelerator Pedal Position Sensor Circuit Diagram (A/T)
    G00554041Courtesy of KIA MOTORS AMERICA, INC.
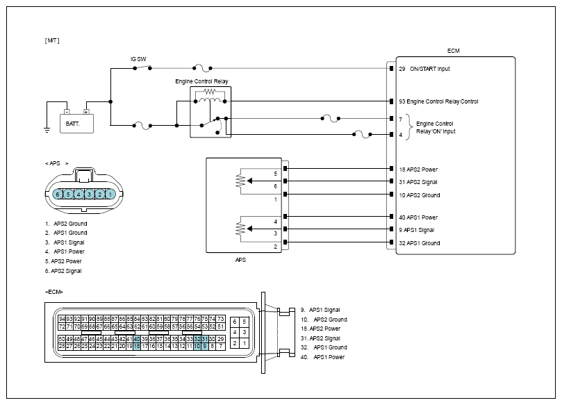
    Fig 2: Accelerator Pedal Position Sensor Circuit Diagram (M/T)
    G09777239Courtesy of KIA MOTORS AMERICA, INC.

    YES 

    NO