LEMON Manuals: Even more car manuals for everyone: 1960-2025
Home >> Kia >> 2016 >> Sorento SX, FWD >> Repair and Diagnosis >> Transmission >> Transmission Control Systems >> Automatic Transaxle Control System - 3.3L >> Transaxle Control Module (TCM) >> Schematic Diagrams >> Circuit Diagram
April 5, 2026: LEMON Manuals is launched! Read the announcement.

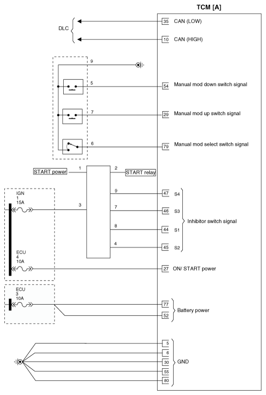
Circuit Diagram

Fig 1: Inhibitor Switch Circuit Diagram (1 Of 2)
G11872332Courtesy of KIA MOTORS AMERICA, INC.
Fig 2: Inhibitor Switch Circuit Diagram (2 Of 2)
G11872333Courtesy of KIA MOTORS AMERICA, INC.