LEMON Manuals: Even more car manuals for everyone: 1960-2025
Home >> Kia >> 2016 >> Soul EV Base >> Repair and Diagnosis (Single Page) >> Transmission >> Automatic Trans >> Vehicle Motor Control System Diagnosis >> DTC P062F: Internal Control Module EEPROM Error >> Wiring Inspection >> Terminal and Connector Inspection
April 5, 2026: LEMON Manuals is launched! Read the announcement.

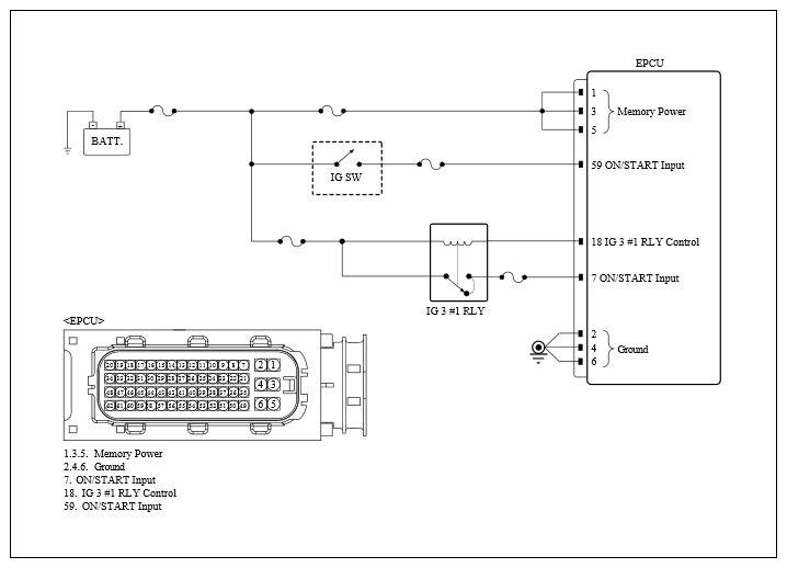
Terminal and Connector Inspection

  1. Many malfunctions in the electrical system are caused by poor connection. Faults can also be caused by interference from other electrical systems, and mechanical or chemical damage.
  2. Thoroughly check connectors for looseness, poor connection, bending, corrosion, contamination, deterioration, or damage.
  3. Has a problem been found?
    WARNING: The electric vehicle system uses high voltage (360 V), so following attentions should be observed. Handling the electric vehicle system without observing following attentions could lead to a serious accident such as short circuit or electric shock.
    * Failure to observe the following attentions may lead to death or injury due to high voltage electric shock.
    • Perform work according to the instructions after familiarizing yourself with the appropriate service information.
    • Use insulated gloves, safety goggles and insulated tools.
    • Turn off the ignition key, remove the ground cable of auxiliary battery, and turn off the safety switch of high voltage battery.
    • Remove the safety plug connected to the main battery, and wait for 15 to 20 minutes.
    • Check that the voltage between high voltage terminals is less than 30 V.
    • After replacing the VCU, EPCU, LDC, and electric water pump (EWP), it is necessary to operate the electric water pump (EWP) with GDS and supplement and circulate the coolant.
    G11946991Courtesy of

    YES 

    NO