LEMON Manuals: Even more car manuals for everyone: 1960-2025
Home >> Kia >> 2017 >> Niro FE >> Repair and Diagnosis >> Brakes >> Traction Control >> Electronic Stability Program (Esp) System >> Description And Operation >> ESP Operation Mode >> ESP Hydraulic System Diagram >> Notes
April 5, 2026: LEMON Manuals is launched! Read the announcement.

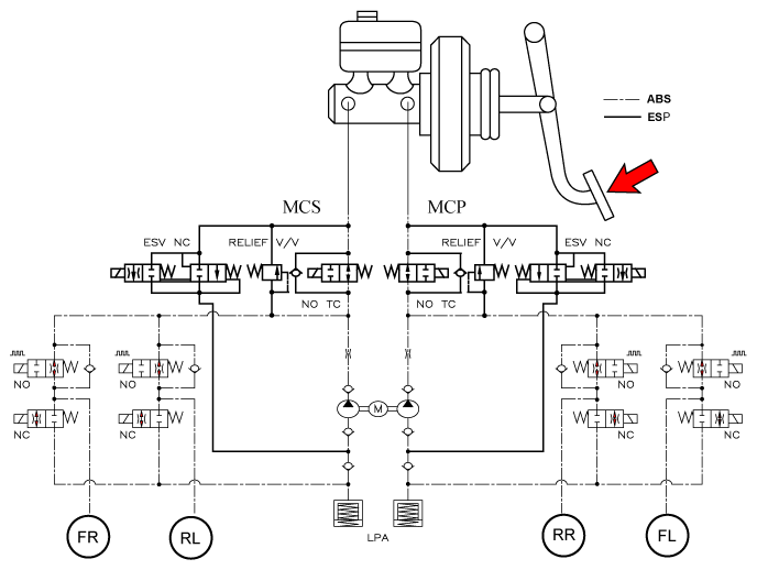
ESP Hydraulic System Diagram: Notes

Fig 1: ESP Hydraulic System Diagram
G12329909Courtesy of KIA MOTORS AMERICA, INC.
  1. ESP Non-operation: Normal braking.
    Solenoid Valve Continuity Valve Motor Pump TC Valve
    IN (NO) OFF OPEN OFF OFF
    OUT (NC) OFF CLOSE
  2. ESP operation
Solenoid Valve Continuity Valve Motor Pump TC Valve
Under-Steering (Only inside of rear wheel) IN (NO) OFF OPEN ON ON
  OUT (NC) OFF CLOSE
Over-Steering (Only outside of front wheel) IN (NO) OFF OPEN
  OUT (NC) OFF CLOSE
Fig 2: ESP Operation Mode Function/Warning Lamp
G12329910Courtesy of KIA MOTORS AMERICA, INC.