LEMON Manuals: Even more car manuals for everyone: 1960-2025
Home >> Kia >> 2017 >> Niro FE >> Repair and Diagnosis >> Engine Performance >> System >> Engine Control System Diagnosis (2 Of 6) >> DTC P0136-00: O2 Sensor Circuit (Bank 1 / Sensor 2) >> Wiring Inspection >> Circuit Inspection
April 5, 2026: LEMON Manuals is launched! Read the announcement.

Circuit Inspection

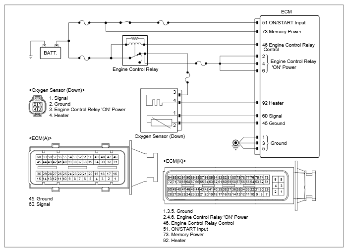
Fig 1: ECM System Circuit
G12325238Courtesy of KIA MOTORS AMERICA, INC.
INSPECTION PART - O2 SENSOR (DOWN) CONNECTOR INSPECTION

Inspection Condition (+) Probe (-) Probe Specification
Connector Terminal Connector Terminal
  1. Ignition "OFF".
  2. Disconnect the battery (-) cable.
  3. Disconnect the electrical connector(s) from the component and ECM.
O2 sensor (DOWN) connector 1 (sensor signal) Chassis ground - ∞ (infinite) Ω
O2 sensor (DOWN) connector 2 (sensor ground) Chassis ground - ∞ (infinite) Ω
O2 sensor (DOWN) connector 1 (sensor signal) ECM connector 60 (sensor signal) Approx. below 1Ω
O2 sensor (DOWN) connector 2 (sensor ground) ECM connector 45 (sensor ground) Approx. below 1Ω
  1. Disconnect the electrical connector(s) from the concerned component.
  2. Ignition "ON".
O2 sensor (DOWN) connector 1 (sensor signal) Chassis ground - Approx. 0V
O2 sensor (DOWN) connector 2 (sensor ground) Chassis ground - Approx. 0V
Good 
No Good