LEMON Manuals: Even more car manuals for everyone: 1960-2025
Home >> Kia >> 2017 >> Niro FE >> Repair and Diagnosis >> Engine Performance >> System >> Engine Control System Diagnosis (4 Of 6) >> DTC P064A-00: Fuel Pump Control Module >> Wiring Inspection >> Circuit Inspection
April 5, 2026: LEMON Manuals is launched! Read the announcement.

Circuit Inspection

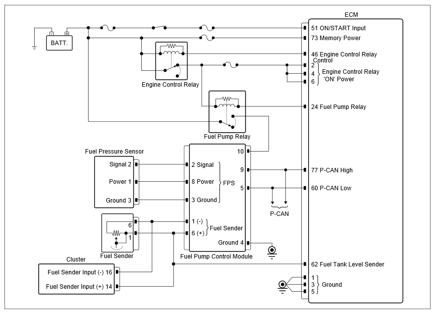
Fig 1: ECM System Circuit
G12330261Courtesy of KIA MOTORS AMERICA, INC.
INSPECTION PART - FUEL PUMP CONTROL MODULE (FPCM) INSPECTION

Inspection Condition (+) Probe (-) Probe Specification
Connector Terminal Connector Terminal
  1. Disconnect the electrical connector(s) from the concerned component.
  2. Ignition "ON".
FPCM connector 10 (power) Chassis ground - B+
FPCM connector 4 (ground) Chassis ground - Approx. 0V
Good 
No Good