LEMON Manuals: Even more car manuals for everyone: 1960-2025
Home >> Kia >> 2017 >> Rio SX >> Repair and Diagnosis >> Engine Performance >> Engine Control Systems >> Engine Control System >> Engine Control Module (ECM) >> Schematic Diagrams >> Circuit Diagram
April 5, 2026: LEMON Manuals is launched! Read the announcement.

Circuit Diagram

(M/T) 

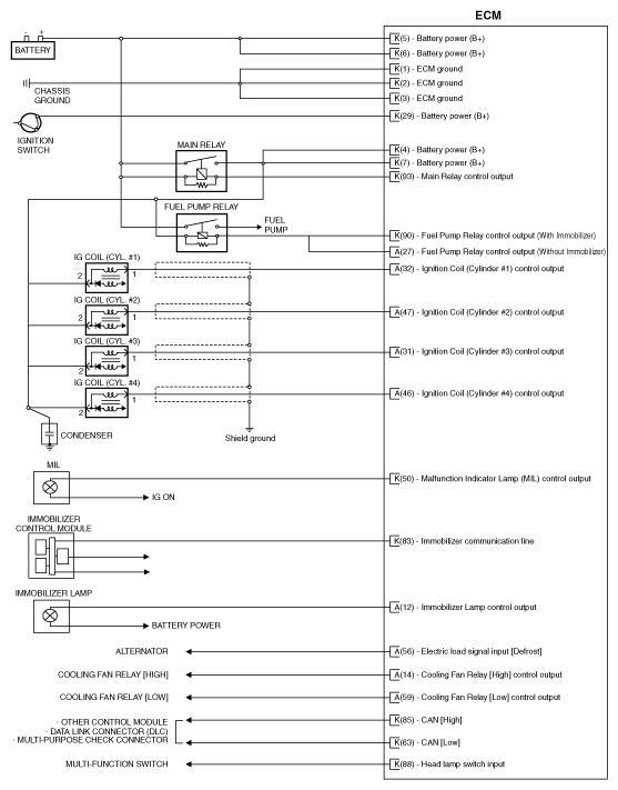
Fig 1: ECM Circuit - M/T (1 Of 4)
G11845107Courtesy of KIA MOTORS AMERICA, INC.
Fig 2: ECM Circuit - M/T (2 Of 4)
G11845108Courtesy of KIA MOTORS AMERICA, INC.
Fig 3: ECM Circuit - M/T (3 Of 4)
G11845109Courtesy of KIA MOTORS AMERICA, INC.
Fig 4: ECM Circuit - M/T (4 Of 4)
G11845110Courtesy of KIA MOTORS AMERICA, INC.

(A/T) 

Fig 5: ECM Circuit - A/T (1 Of 4)
G11845111Courtesy of KIA MOTORS AMERICA, INC.
Fig 6: ECM Circuit - A/T (2 Of 4)
G11845112Courtesy of KIA MOTORS AMERICA, INC.
Fig 7: ECM Circuit - A/T (3 Of 4)
G11845113Courtesy of KIA MOTORS AMERICA, INC.
Fig 8: ECM Circuit - A/T (4 Of 4)
G11845114Courtesy of KIA MOTORS AMERICA, INC.