LEMON Manuals: Even more car manuals for everyone: 1960-2025
Home >> Kia >> 2017 >> Soul Base, Standard Trans >> Repair and Diagnosis (Single Page) >> Accessories & Equipment >> Drivers Assistance Systems - ADAS >> Blind Spot Detection System (BSD) >> Blind Spot Detection Unit >> Schematic Diagrams >> Circuit Diagram
April 5, 2026: LEMON Manuals is launched! Read the announcement.

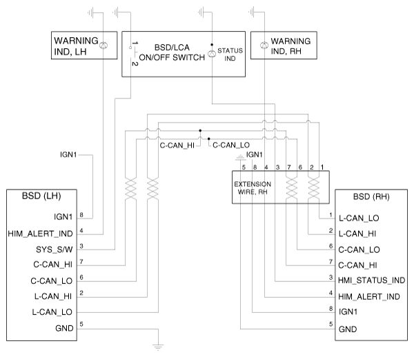
Circuit Diagram

Fig 1: Blind Spot Detection Unit Circuit Diagram
G12235358Courtesy of KIA MOTORS AMERICA, INC.