LEMON Manuals: Even more car manuals for everyone: 1960-2025
Home >> Kia >> 2018 >> Optima Plug-In Hybrid EX >> Repair and Diagnosis >> External Pages >> Different car >> Section 107 (Body Control Module Diagnosis (PHEV)) >> DTC B163E-00: Rain Sensor Module LIN Fault >> Wiring Inspection >> Terminal and Connector Inspection
April 5, 2026: LEMON Manuals is launched! Read the announcement.

Terminal and Connector Inspection

WARNING: This page is about a different car, the 2017 Kia Optima. However, it is still accessible from the selected car via links, so may be relevant.
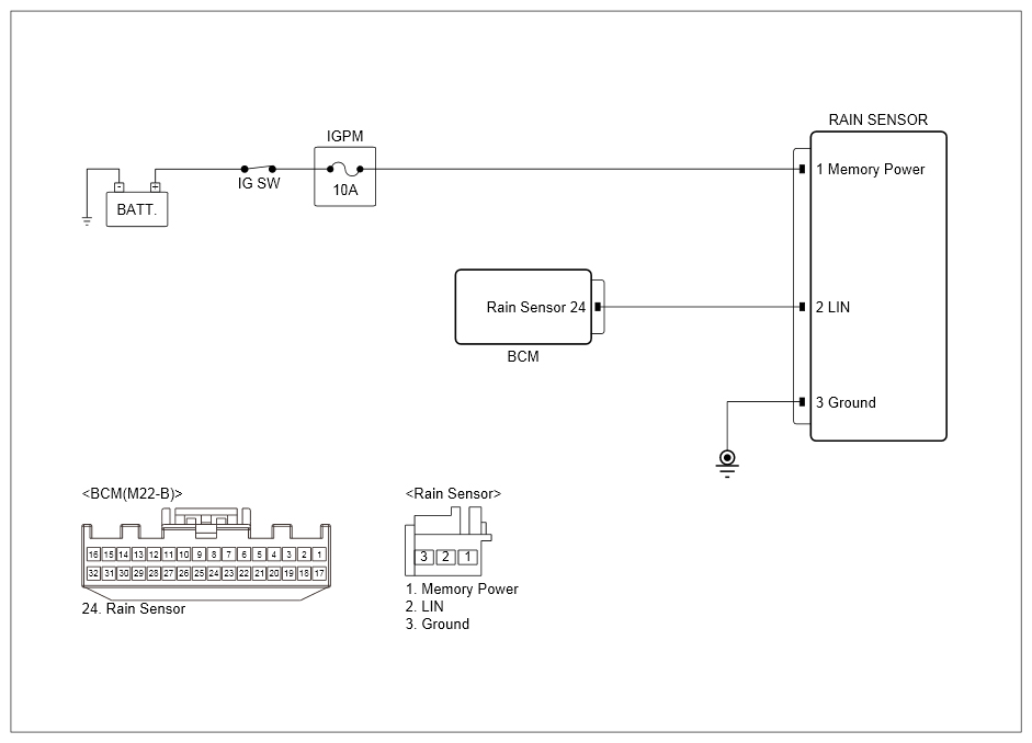
  1. Many malfunctions in the electrical system are caused by poor harness and terminals. Faults can also be caused by interference from other electrical systems, and mechanical or chemical damage.
  2. Thoroughly check all connectors (and connections) for looseness, bending, corrosion, contamination, deterioration, or damage.
  3. Has a problem been found?
    G12366067Courtesy of KIA MOTORS AMERICA, INC.

    YES 

    NO 

    • Go to "Power Circuit Inspection" procedure.