LEMON Manuals: Even more car manuals for everyone: 1960-2025
Home >> Kia >> 2018 >> Optima Plug-In Hybrid EX >> Repair and Diagnosis >> External Pages >> Different car >> Section 85 (Body Control Module (BCM) (PHEV)) >> Schematic Diagrams >> Circuit Diagram
April 5, 2026: LEMON Manuals is launched! Read the announcement.

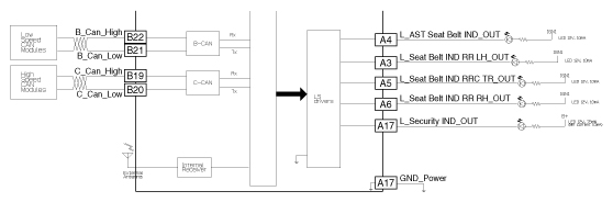
Circuit Diagram

WARNING: This page is about a different car, the 2017 Kia Optima. However, it is still accessible from the selected car via links, so may be relevant.
G12351255Courtesy of KIA MOTORS AMERICA, INC.
G12351256Courtesy of KIA MOTORS AMERICA, INC.