LEMON Manuals: Even more car manuals for everyone: 1960-2025
Home >> Kia >> 2018 >> Stinger Base, AWD >> Repair and Diagnosis >> Accessories & Equipment >> Memory Modules >> Steering Column Module >> Steering Column Module (SCM) >> Schematic Diagrams >> Notes
April 5, 2026: LEMON Manuals is launched! Read the announcement.

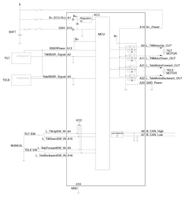
Schematic Diagrams: Notes

G12791478Courtesy of KIA MOTORS AMERICA, INC.