LEMON Manuals: Even more car manuals for everyone: 1960-2025
Home >> Kia >> 2019 >> Forte FE, Standard Trans >> Repair and Diagnosis (Single Page) >> Engine Performance >> System >> Engine Control System Diagnosis (6 Of 6) >> DTC P2251-00: O2 Sensor Reference Ground Circuit/Open - Bank 1 Sensor 1 >> Wiring Inspection >> Circuit Inspection
April 5, 2026: LEMON Manuals is launched! Read the announcement.

Circuit Inspection

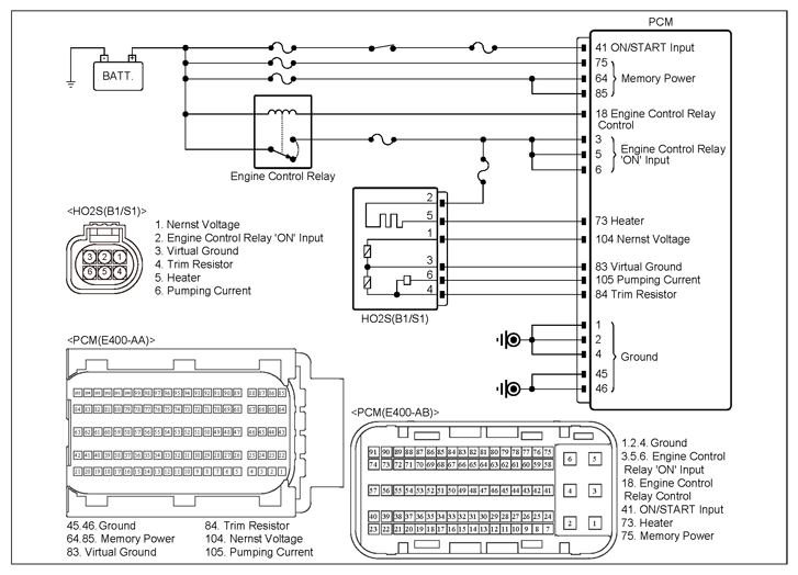
G12851552Courtesy of KIA MOTORS AMERICA, INC.
Inspection Condition (+) Probe (-) Probe Specification
Connector Terminal Connector Terminal
  1. Disconnect HO2S (B1/S1) connector.
  2. Ignition "ON".
HO2S (B1/S1) connector 1 (Nernst Voltage) Chassis ground - 0V
3 (Virtual ground) Chassis ground - 0V
6 (Pumping Current) Chassis ground - 0V
4 (Trim Resistor) Chassis ground - 0V
  1. Ignition "OFF".
  2. Disconnect HO2S (B1/S1) and PCM connector.
HO2S (B1/S1) connector 1 (Nernst Voltage) PCM connector 104 (Nernst Voltage) below 1Ω
3 (Virtual ground) 83 (Virtual ground) below 1Ω
6 (Pumping Current) 105 (Pumping Current) below 1Ω
4 (Trim Resistor) 84 (Trim Resistor) below 1Ω

Good 

No Good