LEMON Manuals: Even more car manuals for everyone: 1960-2025
Home >> Kia >> 2019 >> K900 >> Repair and Diagnosis (Single Page) >> Accessories & Equipment >> Memory Modules >> Steering Column And Shaft >> Steering Column Module >> Schematic Diagrams >> Schematic Diagram
April 5, 2026: LEMON Manuals is launched! Read the announcement.

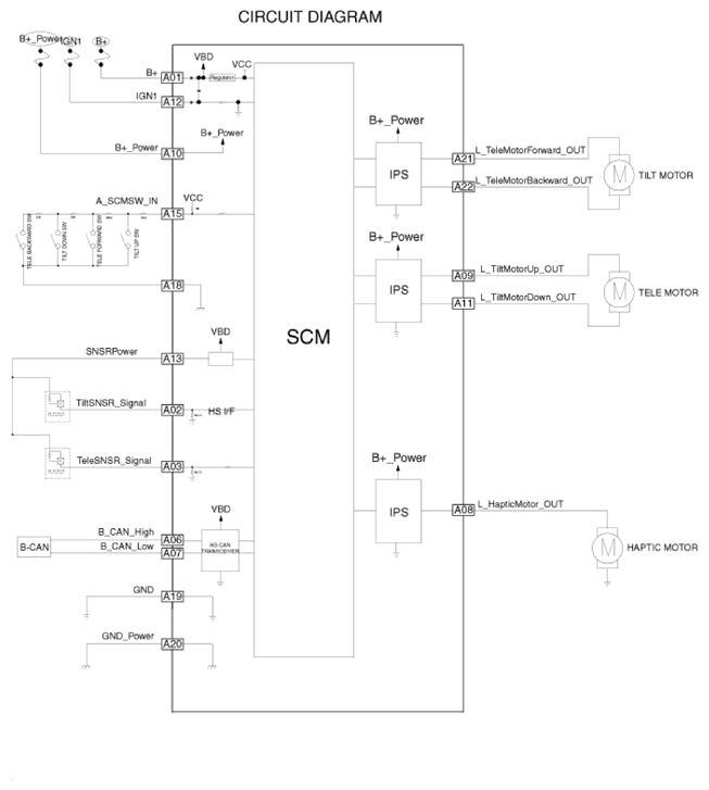
Schematic Diagram

G13144559Courtesy of KIA MOTORS AMERICA, INC.