LEMON Manuals: Even more car manuals for everyone: 1960-2025
Home >> Kia >> 2020 >> Optima EX >> Repair and Diagnosis >> External Pages >> Different car >> Section 13 (Electronic Stability Program (Esp) System) >> Description And Operation >> Description Of ESP Control >> ESP Operation Mode >> Notes
April 5, 2026: LEMON Manuals is launched! Read the announcement.

ESP Operation Mode: Notes

WARNING: This page is about a different car, the 2020 Hyundai Kona. However, it is still accessible from the selected car via links, so may be relevant.
  1. STEP 1

    The ESP analyzes the intention of the driver.

    G12602798Courtesy of HYUNDAI MOTOR AMERICA
  2. STEP 2

    It analyzes the movement of the ESP vehicle.

    G12602799Courtesy of HYUNDAI MOTOR AMERICA
  3. STEP 3

    The HECU calculates the required strategy, then actuates the appropriate valves and sends torque control requests via CAN to maintain vehicle stability.

G12602800Courtesy of HYUNDAI MOTOR AMERICA
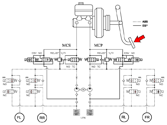
  1. ESP Non-operation: Normal breaking
    Solenoid Valve Continuity Valve Motor Pump TC Valve
    IN (NO) OFF OPEN OFF OFF
    OUT (NC) OFF CLOSE
  2. ESP operation
    Solenoid Valve Continuity Valve Motor Pump TC Valve
    Under steering
    (Only inside of rear wheel)
    IN (NO) OFF OPEN ON ON
    OUT (NC) OFF CLOSE
    Over steering
    (Only outside of front wheel)
    IN (NO) OFF OPEN
    OUT (NC) OFF CLOSE