LEMON Manuals: Even more car manuals for everyone: 1960-2025
Home >> Kia >> 2020 >> Optima Plug-In Hybrid EX >> Repair and Diagnosis >> Body & Frame >> Door Locks >> Smart Key System (PHEV) >> Smart Key Unit >> Schematic Diagrams >> Circuit Diagram
April 5, 2026: LEMON Manuals is launched! Read the announcement.

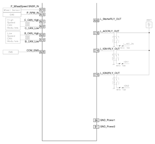
Circuit Diagram

G13364474Courtesy of KIA MOTORS AMERICA, INC.
G13364475Courtesy of KIA MOTORS AMERICA, INC.