LEMON Manuals: Even more car manuals for everyone: 1960-2025
Home >> Kia >> 2021 >> K5 GT-Line, AWD >> Repair and Diagnosis (Single Page) >> Engine Performance >> System >> Engine Control System Diagnosis - 1.6L (2 Of 7) >> DTC P0136-00: O2 Sensor Circuit(Bank 1/Sensor 2) >> Wiring Inspection >> Circuit Inspection
April 5, 2026: LEMON Manuals is launched! Read the announcement.

Circuit Inspection

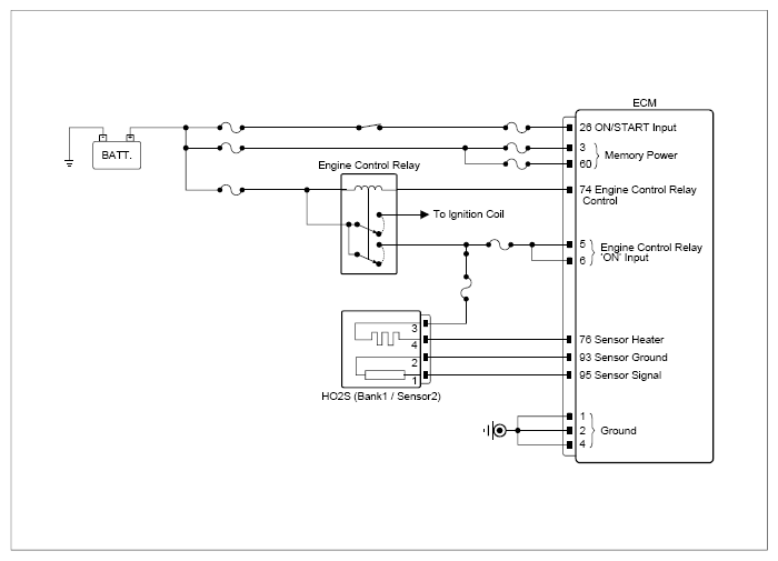
G13807945Courtesy of KIA MOTORS AMERICA, INC.
Inspection Condition (+) Probe (-) Probe Specification
Connector Terminal Connector Terminal
 
  1. Ignition "OFF".
  2. Disconnect the electrical connector(s) from the concerned component.
  3. Ignition "ON".
HO2S (Bank1, Sensor2) connector 1 (signal) Chassis ground - Approx. 2.3V
HO2S (Bank1, Sensor2) connector 2 (ground) Chassis ground - Approx. 0.6V
 
  1. Ignition "OFF".
  2. Disconnect the electrical connector(s) from the concerned component.
HO2S (Bank1, Sensor2) connector 1 (signal) Chassis ground - ∞ (infinity)Ω
HO2S (Bank1, Sensor2) connector 2 (ground) Chassis ground - ∞ (infinity)Ω
HO2S (Bank1, Sensor2) connector 1 (signal) ECM connector 95 (signal) Approx. below 1Ω
HO2S (Bank1, Sensor2) connector 2 (ground) ECM connector 93 (ground) Approx. below 1Ω

Good 

No Good