LEMON Manuals: Even more car manuals for everyone: 1960-2025
Home >> Kia >> 2021 >> K5 GT-Line, AWD >> Repair and Diagnosis (Single Page) >> Engine Performance >> System >> Engine Control System Diagnosis - 1.6L (6 Of 7) >> DTC P2251-00: O2 Sensor Reference Ground Circuit/Open (Bank 1 Sensor 1) >> Wiring Inspection >> Circuit Inspection
April 5, 2026: LEMON Manuals is launched! Read the announcement.

Circuit Inspection

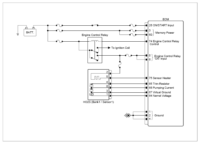
G13809838Courtesy of KIA MOTORS AMERICA, INC.
Inspection Condition (+) Probe (-) Probe Specification
Connector Terminal Connector Terminal
  1. Ignition "OFF".
  2. Disconnect the electrical connector(s) from the concerned component.
  3. Ignition "ON".
HO2S (Bank1, Sensor1) connector 3 (virtual ground) Chassis ground - Approx. 0V
HO2S (Bank1, Sensor1) connector 1 (nernst voltage) Chassis ground - Approx. 0.7V
HO2S (Bank1, Sensor1) connector 6 (pumping current) Chassis ground - Approx. 0V
HO2S (Bank1, Sensor1) connector 4 (trim resistor) Chassis ground - Approx. 0V
  1. Ignition "OFF".
  2. Disconnect the electrical connector(s) from the concerned component.
HO2S (Bank1, Sensor1) connector 3 (virtual ground) Chassis ground - ∞ (infinity)Ω
HO2S (Bank1, Sensor1) connector 1 (nernst voltage) Chassis ground - ∞ (infinity)Ω
HO2S (Bank1, Sensor1) connector 6 (pumping current) Chassis ground - ∞ (infinity)Ω
HO2S (Bank1, Sensor1) connector 4 (trim resistor) Chassis ground - ∞ (infinity)Ω
HO2S (Bank1, Sensor1) connector 3 (virtual ground) ECM connector 67 (virtual ground) Approx. below 1Ω
HO2S (Bank1, Sensor1) connector 1 (nernst voltage) ECM connector 64 (nernst voltage) Approx. below 1Ω
HO2S (Bank1, Sensor1) connector 6 (pumping current) ECM connector 66 (pumping line) Approx. below 1Ω
HO2S (Bank1, Sensor1) connector 4 (trim resistor) ECM connector 65 (trim resistor) Approx. below 1Ω

Good 

No Good