LEMON Manuals: Even more car manuals for everyone: 1960-2025
Home >> Kia >> 2021 >> K5 GT-Line, AWD >> Repair and Diagnosis >> Engine Performance >> System >> Engine Control System Diagnosis - 1.6L (5 Of 7) >> DTC P2127-00: Accelerator Position Sensor 2 Signal Circuit Low Input >> Wiring Inspection >> Circuit Inspection
April 5, 2026: LEMON Manuals is launched! Read the announcement.

Circuit Inspection

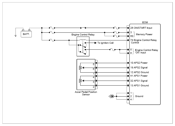
G13809681Courtesy of KIA MOTORS AMERICA, INC.
APS1 Circuit Inspection
Inspection Condition (+) Probe (-) Probe Specification
Connector Terminal Connector Terminal
  1. Ignition "OFF".
  2. Disconnect the electrical connector(s) from the concerned component.
  3. Ignition "ON".
APS connector 4 (supply) Chassis ground - Approx. 5V
  1. Ignition "OFF".
  2. Disconnect the electrical connector(s) from the concerned component.
APS connector 2 (ground) Chassis ground - Approx. below 1Ω
APS connector 3 (signal) ECM connector 32 (signal) Approx. below 1Ω
APS connector 3 (signal) Chassis ground - ∞ (infinity)Ω
APS connector 3 (signal) Battery (+) terminal - ∞ (infinity)Ω
APS2 Circuit Inspection
Inspection Condition (+) Probe (-) Probe Specification
Connector Terminal Connector Terminal
  1. Ignition "OFF".
  2. Disconnect the electrical connector(s) from the concerned component.
  3. Ignition "ON".
APS connector 2 (supply) Chassis ground - Approx. 5V
  1. Ignition "OFF".
  2. Disconnect the electrical connector(s) from the concerned component.
APS connector 1 (ground) Chassis ground - Approx. below 1Ω
APS connector 6 (signal) ECM connector 18 (signal) Approx. below 1Ω
APS connector 6 (signal) Chassis ground - ∞ (infinity)Ω
APS connector 6 (signal) Battery (+) terminal - ∞ (infinity)Ω

Good 

No Good