LEMON Manuals: Even more car manuals for everyone: 1960-2025
Home >> Kia >> 2021 >> K5 GT >> Repair and Diagnosis (Single Page) >> Engine Performance >> System >> Engine Control System Diagnosis - 2.5L (12 Of 16) >> DTC P2251-00: O2 Sensor Reference Ground Circuit/Open (Bank 1 Sensor 1) >> Wiring Inspection >> Circuit Inspection
April 5, 2026: LEMON Manuals is launched! Read the announcement.

Circuit Inspection

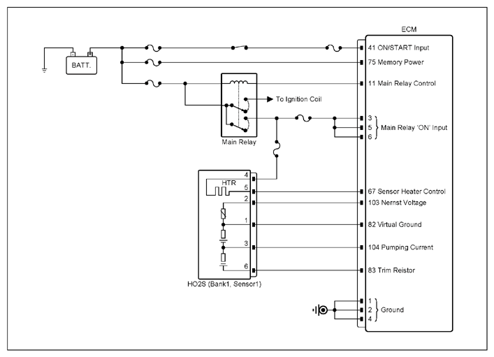
G13829807Courtesy of KIA MOTORS AMERICA, INC.
Inspection Condition (+) Probe (-) Probe Specification
Connector  Terminal  Connector  Terminal 
  1. Ignition "OFF".
  2. Disconnect the electrical connector(s) from the concerned component.
  3. Ignition "ON".
HO2S (Bank1, Sensor1) connector 1 (virtual ground) Chassis ground - Approx. 0V
HO2S (Bank1, Sensor1) connector 2 (nernst voltage) Chassis ground - Approx. 0V
HO2S (Bank1, Sensor1) connector 3 (pumping line) Chassis ground - Approx. 0V
HO2S (Bank1, Sensor1) connector 6 (trim resistor) Chassis ground - Approx. 0V
  1. Ignition "OFF".
  2. Disconnect the electrical connector(s) from the concerned component.
HO2S (Bank1, Sensor1) connector 2 (nernst voltage) Chassis ground - ∞ (infinity)Ω
HO2S (Bank1, Sensor1) connector 3 (pumping line) Chassis ground - ∞ (infinity)Ω
HO2S (Bank1, Sensor1) connector 6 (trim resistor) Chassis ground - ∞ (infinity)Ω
HO2S (Bank1, Sensor1) connector 1 (virtual ground) ECM connector 82 (virtual ground) Approx. below 1Ω
HO2S (Bank1, Sensor1) connector 2 (nernst voltage) ECM connector 103 (nernst voltage) Approx. below 1Ω
HO2S (Bank1, Sensor1) connector 3 (pumping line) ECM connector 104 (pumping line) Approx. below 1Ω
HO2S (Bank1, Sensor1) connector 6 (trim resistor) ECM connector 83 (trim resistor) Approx. below 1Ω

Good 

No Good