LEMON Manuals: Even more car manuals for everyone: 1960-2025
Home >> Kia >> 2021 >> Niro Plug-In Hybrid EX >> Repair and Diagnosis >> Engine Performance >> System >> Engine Control System Diagnosis (PHEV) (2 Of 6) >> DTC P0123-00: Throttle Position Sensor 1 Signal Circuit High Input >> Wiring Inspection >> Circuit Inspection
April 5, 2026: LEMON Manuals is launched! Read the announcement.

Circuit Inspection

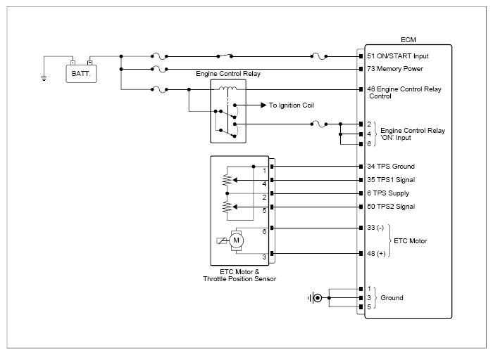
G13354711Courtesy of KIA MOTORS AMERICA, INC.
G13354712Courtesy of KIA MOTORS AMERICA, INC.
Inspection Condition (+) Probe (-) Probe Specification
Connector Terminal Connector Terminal
  1. Ignition "OFF".
  2. Disconnect the electrical connector(s) from the concerned component.
  3. Ignition "ON".
ETC motor & TPS connector 3 (ETC +) Chassis ground - Approx. 1.8V
ETC motor & TPS connector 6 (ETC -) Chassis ground - Approx. 0V
ETC motor & TPS connector 2 (TPS supply) Chassis ground - Approx. 5V
ETC motor & TPS connector 5 (TPS2) Chassis ground - Approx. 0V
ETC motor & TPS connector 1 (ground) Chassis ground - Approx. 0V
ETC motor & TPS connector 4 (TPS1) Chassis ground - Approx. 4.8V
  1. Ignition "OFF".
  2. Disconnect the auxiliary battery (-) terminal.
  3. Disconnect the electrical connector(s) from the concerned component.
ETC motor & TPS connector 4 (TPS1) Chassis ground - ∞ (infinity)Ω
ETC motor & TPS connector 5 (TPS2) Chassis ground - ∞ (infinity)Ω

Good 

No Good