LEMON Manuals: Even more car manuals for everyone: 1960-2025
Home >> Kia >> 2021 >> Soul X Line >> Repair and Diagnosis (Single Page) >> Engine Performance >> System >> Engine Control System Diagnosis - 2.0L (2 Of 6) >> DTC P0140-00: O2 Sensor Circuit No Activity Detected (Bank 1/Sensor 2) >> Wiring Inspection >> Circuit Inspection
April 5, 2026: LEMON Manuals is launched! Read the announcement.

Circuit Inspection

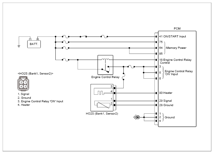
G13291465Courtesy of KIA MOTORS AMERICA, INC.
G13291466Courtesy of KIA MOTORS AMERICA, INC.
Inspection Condition (+) Probe (-) Probe Specification
Connector Terminal Connector Terminal
  1. Ignition "OFF".
  2. Disconnect HO2S (Bank1, Sensor2) connector.
  3. Ignition "ON".
HO2S (Bank1, Sensor2) connector 1 (signal) Chassis ground - 0V
  1. Ignition "OFF".
  2. Disconnect HO2S (Bank1, Sensor2) connector.
HO2S (Bank1, Sensor2) connector 2 (ground) Chassis ground - Approx. below 1Ω
  1. Ignition "OFF".
  2. Disconnect HO2S (Bank1, Sensor2) connector and PCM connector.
HO2S (Bank1, Sensor2) connector 1 (signal) PCM connector 29 (signal) Approx. below 1Ω
HO2S (Bank1, Sensor2) connector 2 (ground) PCM connector 28 (ground) Approx. below 1Ω

Good 

  1. Go to "Component Inspection " procedure.

No Good 

  1. Repair or replace as necessary and then go to "Verification of Repair " procedure.