LEMON Manuals: Even more car manuals for everyone: 1960-2025
Home >> Kia >> 2023 >> Telluride EX X-Line >> Repair and Diagnosis >> Engine Performance >> System >> Engine Control System Diagnosis (12 Of 13) >> DTC P2123-00: Accelerator Position Sensor 1 Signal Circuit High Input >> Wiring Inspection >> Circuit Inspection
April 5, 2026: LEMON Manuals is launched! Read the announcement.

Circuit Inspection

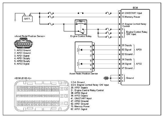
G15726197Courtesy of KIA MOTORS AMERICA, INC.
Inspection Condition (+) Probe (-) Probe Specification
Connector Terminal Connector Terminal
  1. Disconnect the electrical connector(s) from the concerned component.
  2. Ignition "ON".
APS1 connector 4 (power) Chassis ground - Approx. 5V
  1. Ignition "OFF".
  2. Disconnect the electrical connector(s) from the concerned component.
APS1 connector 2 (ground) Chassis ground - Approx. below 1Ω
  1. Ignition "OFF".
  2. Disconnect the electrical connector(s) from the concerned component and ECM.
APS1 connector 3 (signal) ECM connector 82 (signal) Approx. below 1Ω
APS1 connector 3 (signal) Chassis ground - ∞ (infinity)Ω
APS1 connector 3 (signal) APS1 connector 4 (power) ∞ (infinity)Ω

Good 

No Good